 |
 |
|
 |
 |
Приводная техника

Вся продукция сертифицирована. Мы будем рады видеть Вас клиентом нашей компании.

|
|
 |
 |
 |
Мотор-редукторы цилиндро-червячные CHTPC/CHM-CHME Chiaravalli |
|
 |
 |
Мотор-редукторы цилиндро-червячные CHTPC/CHM-CHME Chiaravalli

Червячные редукторы производства Chiaravalli Trasmissioni SpA (Италия) пригодны для разнообразных типов монтажа. Постоянный контроль на всех стадиях производства обеспечивает наилучшее качество редукторов. Корпусы редукторов размеров от 025 до 090 - алюминиевые, размеров 110 и 130 - чугунные.
Все изделия покрашены аллюминиевой краской RAL 9022 для защиты деталей от износа и возникновения микротрещин корпуса.
Редукторы снабжены по меньшей мере одной заливной горловиной, которая используется в т.ч. и для тестирования возможных протечек масла.
Соединительные фланцы позволяют комбинировать 2 редуктора для получения более высоких передаточных чисел.
CHTPC - редуктор с модулем предварительной ступени


CHTPC/CHM-CHME характеристики с четырехполюсным электродвигателем - 1400 оборотов на входе
типоразмер редуктора |
передаточное число, i |
число оборотов на выходе, n2 (рад/мин) |
мощность двигателя, P1 (кВ) |
крутящий момент, T2 (нМ) |
CHTPC63/CHM-CHME 040 |
90 |
15.6 |
0.18 |
61 |
120 |
11.7 |
0.18 |
52 |
150 |
9.3 |
0.18 |
46 |
180 |
7.8 |
0.18 |
46 |
240 |
5.8 |
0.18 |
40 |
300 |
4.7 |
0.18 |
36 |
|
типоразмер редуктора |
передаточное число, i |
число оборотов на выходе, n2 (рад/мин) |
мощность двигателя, P1 (кВ) |
крутящий момент, T2 (нМ) |
CHTPC71/CHM-CHME 075 |
90 |
15.6 |
0.37 |
153 |
120 |
11.7 |
0.37 |
190 |
150 |
9.3 |
0.37 |
220 |
180 |
7.8 |
0.37 |
236 |
180 |
7.8 |
0.25 |
159 |
240 |
5.8 |
0.25 |
208 |
300 |
4.7 |
0.25 |
210 |
|
типоразмер редуктора |
передаточное число, i |
число оборотов на выходе, n2 (рад/мин) |
мощность двигателя, P1 (кВ) |
крутящий момент, T2 (нМ) |
CHTPC63/CHM-CHME 050 |
90 |
15.6 |
0.18 |
69 |
120 |
11.7 |
0.18 |
85 |
150 |
9.3 |
0.18 |
89 |
180 |
7.8 |
0.18 |
88 |
240 |
5.8 |
0.18 |
76 |
300 |
4.7 |
0.18 |
65 |
|
типоразмер редуктора |
передаточное число, i |
число оборотов на выходе, n2 (рад/мин) |
мощность двигателя, P1 (кВ) |
крутящий момент, T2 (нМ) |
CHTPC80/CHM-CHME 075 |
90 |
15.6 |
0.75 |
307 |
120 |
11.7 |
0.55 |
278 |
150 |
9.3 |
0.55 |
260 |
|
типоразмер редуктора |
передаточное число, i |
число оборотов на выходе, n2 (рад/мин) |
мощность двигателя, P1 (кВ) |
крутящий момент, T2 (нМ) |
CHTPC71/CHM-CHME 050 |
90 |
15.6 |
0.25 |
97 |
120 |
11.7 |
0.25 |
110 |
150 |
9.3 |
0.25 |
112 |
|
типоразмер редуктора |
передаточное число, i |
число оборотов на выходе, n2 (рад/мин) |
мощность двигателя, P1 (кВ) |
крутящий момент, T2 (нМ) |
CHTPC71/CHM-CHME 090 |
180 |
7.8 |
0.37 |
260 |
240 |
5.8 |
0.37 |
320 |
300 |
4.7 |
0.37 |
345 |
|
типоразмер редуктора |
передаточное число, i |
число оборотов на выходе, n2 (рад/мин) |
мощность двигателя, P1 (кВ) |
крутящий момент, T2 (нМ) |
CHTPC63/CHM-CHME 063 |
150 |
9.3 |
0.18 |
101 |
180 |
7.8 |
0.18 |
115 |
240 |
5.8 |
0.18 |
136 |
300 |
4.7 |
0.18 |
121 |
|
типоразмер редуктора |
передаточное число, i |
число оборотов на выходе, n2 (рад/мин) |
мощность двигателя, P1 (кВ) |
крутящий момент, T2 (нМ) |
CHTPC80/CHM-CHME 090 |
90 |
15.6 |
0.75 |
320 |
120 |
11.7 |
0.75 |
397 |
150 |
9.3 |
0.75 |
426 |
180 |
7.8 |
0.75 |
425 |
240 |
5.8 |
0.55 |
374 |
|
типоразмер редуктора |
передаточное число, i |
число оборотов на выходе, n2 (рад/мин) |
мощность двигателя, P1 (кВ) |
крутящий момент, T2 (нМ) |
CHTPC71/CHM-CHME 063 |
90 |
15.6 |
0.37 |
145 |
90 |
15.6 |
0.25 |
98 |
120 |
11.7 |
0.37 |
184 |
120 |
11.7 |
0.25 |
124 |
150 |
9.3 |
0.37 |
192 |
150 |
9.3 |
0.25 |
129 |
180 |
7.8 |
0.25 |
164 |
240 |
5.8 |
0.25 |
139 |
300 |
4.7 |
0.25 |
128 |
|
типоразмер редуктора |
передаточное число, i |
число оборотов на выходе, n2 (рад/мин) |
мощность двигателя, P1 (кВ) |
крутящий момент, T2 (нМ) |
CHTPC80/CHM-CHME 110 |
120 |
11.7 |
0.75 |
421 |
150 |
9.3 |
0.75 |
496 |
180 |
7.8 |
0.75 |
569 |
240 |
5.8 |
0.75 |
617 |
300 |
4.7 |
0.55 |
585 |
|
типоразмер редуктора |
передаточное число, i |
число оборотов на выходе, n2 (рад/мин) |
мощность двигателя, P1 (кВ) |
крутящий момент, T2 (нМ) |
CHTPC90/CHM-CHME 130 |
96.8 |
14.5 |
1.50 |
679 |
121 |
11.6 |
1.50 |
813 |
145.2 |
9.6 |
1.50 |
917 |
193.6 |
7.2 |
1.50 |
1013 |
242 |
5.8 |
1.10 |
848 |
|
типоразмер редуктора |
передаточное число, i |
число оборотов на выходе, n2 (рад/мин) |
мощность двигателя, P1 (кВ) |
крутящий момент, T2 (нМ) |
CHTPC90/CHM-CHME 110 |
96.8 |
14.5 |
1.50 |
679 |
121 |
11.6 |
1.50 |
801 |
145.2 |
9.6 |
1.50 |
810 |
145.2 |
9.6 |
1.10 |
595 |
193.6 |
7.2 |
1.10 |
660 |
|
Пример заказа: CHTPC 90 CHM 110 i=242(2.42x100) 90B5 B3
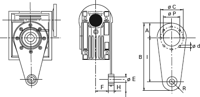
Габаритные размеры CHTPC/CHM-CHME

Монтажные положения для CHTPC/CHM-CHME

Позиции фланцев выходного вала для CHM 030-130

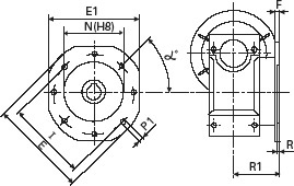
Размеры фланца для присоединения электродвигателей к CHM-CHME-CHMR-CHMRE 030-130
Размеры фланцев выходного вала для CHM-CHME-CHMR-CHMRE 030-130


Размеры рычага крутящего момента для CHM-CHME-CHMR-CHMRE 030-130

| Тип |
I |
R |
F |
H |
øE |
A |
B |
øC |
ød |
øP |
№ |
Масса комплекта, кг |
| CHT MV 030 |
85 |
15 |
24 |
14 |
8 |
38 |
138 |
65 |
7 |
55 |
8 |
0.18 |
|
| Без виброустойчивой втулки |
| Тип |
I |
R |
F |
H |
øE |
A |
B |
øC |
ød |
øP |
№ |
Масса комплекта, кг |
| CHT MV 040 |
100 |
18 |
31.5 |
14 |
10 |
44 |
162 |
75 |
7 |
60 |
8 |
0.24 |
|
| Тип |
I |
R |
F |
H |
øE |
A |
B |
øC |
ød |
øP |
№ |
Масса комплекта, кг |
| CHT MV 050 |
100 |
18 |
38.5 |
14 |
10 |
50 |
168 |
85 |
9 |
70 |
8 |
0.27 |
|
| Тип |
I |
R |
F |
H |
øE |
A |
B |
øC |
ød |
øP |
№ |
Масса комплекта, кг |
| CHT MV 063 |
150 |
18 |
49 |
14 |
10 |
55 |
223 |
95 |
9 |
80 |
8 |
0.57 |
|
| Тип |
I |
R |
F |
H |
øE |
A |
B |
øC |
ød |
øP |
№ |
Масса комплекта, кг |
| CHT MV 075 |
200 |
30 |
47.5 |
25 |
20 |
70 |
300 |
115 |
9 |
95 |
8 |
1.10 |
|
| Тип |
I |
R |
F |
H |
øE |
A |
B |
øC |
ød |
øP |
№ |
Масса комплекта, кг |
| CHT MV 090 |
200 |
30 |
57.5 |
25 |
20 |
80 |
310 |
130 |
11 |
110 |
8 |
1.26 |
|
| Тип |
I |
R |
F |
H |
øE |
A |
B |
øC |
ød |
øP |
№ |
Масса комплекта, кг |
| CHT MV 110 |
250 |
35 |
62 |
30 |
25 |
100 |
385 |
165 |
11 |
130 |
8 |
1.92 |
|
| Тип |
I |
R |
F |
H |
øE |
A |
B |
øC |
ød |
øP |
№ |
Масса комплекта, кг |
| CHT MV 130 |
250 |
35 |
69 |
30 |
25 |
125 |
410 |
215 |
14 |
180 |
8 |
2.23 |
|
Приводная техника (мотор-редукторы, преобразователи частоты и устройства плавного пуска) отправляется покупателю транспортной компанией. По всем вопросам обращаться в офис.
Мы всегда рады видеть у себя наших старых партнеров и ждем новых.
Доставка во все регионы России!
|
 |
 |
|
|