НАЗНАЧЕНИЕ:
Мотор-редукторы цилиндрические универсальные МТС чешского редукторного завода «Tos znojmo»предназначены для изменения крутящих моментов и частоты вращения вала в качестве комплектующих в приводах машин, оборудования и механизмов.
Условия применения:
- нагрузка постоянная и переменная, одного направления и реверсивная;
- работа с периодическими остановками и длительная до 24 часов в сутки;
- вращение валов в любую сторону;
- атмосфера типа I и II по ГОСТ 15150-69 при запыленности воздуха не более 10 мг/м3;
- климатические исполнения У,Т для категорий размещения 1-3 и климатические исполнения УХЛ и О для категорий размещения 4 по ГОСТ 15150-69.
Выбор мотор-редуктора
Для правильного выбора мотор-редуктора необходимо знать следующие данные: требуемый выходной крутящий момент M2, частоту вращения выходного вала n2, способ нагружения мотор-редуктора и соответствующий коэффициент эксплуатации Sm. На основе этих данных можно определить соответствующий типоразмер мотор-редуктора.
Соотношения для расчета отдельных величин
Выходной крутящий момент Mk
Крутящий момент Mk определяется требуемым нагружением мотор-редуктора. Его можно выразить как силу F2,воздействующую на на плече r2.
Mk [Нм] = F2 [Н] x r2 [м]
Коэффициент эксплуатации Sm
С целью гарантирования исправной работы мотор-редуктора в разных рабочих режимах, отличающихся в отношении типа нагрузки, условий эксплуатации, типа привода, продолжительности рабочего времени в сутки и т.п. от предполагаемого стандарта, эти влияния необходимо учесть.
Поэтому, выбирая мотор-редуктор, пользуются т.н. коэффициентом эксплуатации Sm, который определяется произведением факторов, учитывающих отдельные условия.
Sm = S1 x S2 x S3 x S4
При подборе конкретного мотор-редуктора надо обращать внимание на то, чтобы коэффициент эксплуатации Sm был меньше сервисного фактора Sf, или следует повысить требуемый выходной крутящий момент Mk по формуле:
M2 = Mk x Sm
| S1 - фактор нагрузки |
| 1,0 |
нормальный
разгон без толчка, незначительная ускоряемая масса (вентиляторы, шестеренные
насосы, сборочные конвейеры, винтовые конвейеры, мешалки жидкостей,
разливочные и упаковочные машины) |
| 1,25 |
разгон со
слабыми толчками, неравномерная эксплуатация, средняя ускоряемая масса
(конвейерные ленты, лифты, лебедки, месилки, деревообрабатывающие, печатные и
текстильные машины) |
| 1,5 |
неравномерная
эксплуатация, сильные удары, большая ускоряемая масса (бетономешалки, всасывающие
насосы, компрессоры, молоты, прокатные станы, прицепы-тяжеловозы, гибочные и
штамповочные машины, машины с переменным движением) |
ТАБ.1
| S2 - фактор непрерывности эксплуатации |
| S2 |
число включений в час |
| 1,0 |
0
вплоть до 60 |
| 1,15 |
60
вплоть до 150 |
| 1,3 |
150
вплоть до 500 |
| 1,5 |
500
вплоть до 1000 и более |
| S3 - фактор времени эксплуатации |
| S3 |
число включений в сутки |
| 0,8 |
0
вплоть до 4 |
| 1,0 |
4
вплоть до 8 |
| 1,2 |
8
вплоть до 16 |
| 1,3 |
16
вплоть до 24 |
| S4 - фактор привода |
| S4 |
вид
электродвигателя |
| 1,0 |
электродвигатель без тормоза |
| 1,15 |
электродвигатель с тормозом |
Сервисный фактор Sf
Сервисный фактор Sf указывает соотношение между максимальным
крутящим моментом, которым можно длительно нагружать мотор-редуктор, и действующим
выходным крутящим моментом, который выбранный электродвигатель способен
развивать.
M2max
Sf = --------------------------- [-]
M2
Максимальный крутящий момент M2макс определяется для коэффициента
эксплуатации Sm = 1.
Мощность электродвигателя P1
Для определения требуемой мощности электродвигателя P1 пользуются
соотношением:
M2[Нм] x n2 [об/мин] x 100
P1 =
-------------------------------------- [кВт]
9550 x КПД[%]
Часть мощности расходуется на преодоление механического сопротивления
редуктора. Эту долю учитывает коэффициент полезного действия, представляющий
собой отношение между мощностью на выходе Р2 и мощностью на входе Р1
P2
КПД= ------------- x 100 [%]
P1
Передаточное отношение i
Передаточное отношение входных и выходных оборотов редуктора
n1
i = ---------------- [-]
n2
n1[об/мин] ... номинальное число оборотов электродвигателя
n2 [об/мин] ... выходное число оборотов редуктора
Радиальная и осевая нагрузка на вал
РИС. 1
Коробки передач с цилиндрическим зацеплением МТС оснащены выходным валом с цилиндрической шейкой снабженной шпоночным пазом. Значения допустимой радиальной и аксиальной нагрузки показаны в таблице 5. Допустимая нагрузка вала приводится для входных оборотов n1=400[об/мин].
Радиальная нагрузка Fr
Для определения этого параметра точкой приложения радиальной силы Fr считается половина длины свободного конца вала (см. рисунок.)
Расчетная Fr не должна превысить максимальную допустимую нагрузку, указанную в таблице 5.
Если радиальная сила воздействует на вал на большем расстоянии, то максимальную допустимую нагрузку необходимо уменьшить. Например , для нагружения в точке 75% длины шейки допустимая нагрузка составляет только 80% значения, указанного в таблице. Для нагружения в точке 30% длины шейки допустимая нагрузка может быть на 25% выше. Поскольку на выходной вал надет шкив, цепная звездочка, шестерня и т.п., радиальную нагрузку можно определить по следующей формуле:
M2 x k x 2000
Fr = -------------------------------- [Н]
D
M2 - выходной крутящий момент, [Нм];
D - расчетный диаметр (делительная окружность) шкива (шестерни) на выходе, [мм];
k - коэффициент нагрузки:
1,10 цепные звездочки;
1,25 цилиндрические зубчатые колеса;
1,50 шкив;
Следовательно, радиальную нагрузку вала можно уменьшить за счет увеличения
диаметра шкива, поскольку это возможно. Если радиальная нагрузка останется
большая, или если сила воздействует на шейку вала на большом расстоянии, то для
передачи этих сил следует выбрать внешнюю посадку в подшипниках.
Осевая нагрузка Fa
В случае одновременного воздействия осевой и радиальной силы, допустимая
аксиальная нагрузка вала не должна превзойти значения, указанные в таблице 5.
Указанные значения представляют собой около 20% допустимой радиальной нагрузки
Fr.
модель |
11 |
21 |
31 |
41 |
n2[об/мин] |
Fa[Н] |
Fr[Н] |
Fa[Н] |
Fr[Н] |
Fa[Н] |
Fr[Н] |
Fa[Н] |
Fr[Н] |
600 |
150 |
750 |
240 |
1200 |
360 |
1820 |
700 |
3500 |
450 |
160 |
830 |
260 |
1320 |
400 |
2000 |
770 |
3860 |
400 |
170 |
860 |
270 |
1370 |
410 |
2080 |
800 |
4010 |
350 |
180 |
900 |
280 |
1440 |
430 |
2180 |
840 |
4200 |
300 |
190 |
950 |
300 |
1510 |
460 |
2290 |
880 |
4420 |
250 |
200 |
1010 |
320 |
1610 |
480 |
2440 |
940 |
4690 |
200 |
210 |
1090 |
340 |
1730 |
520 |
2630 |
1010 |
5060 |
150 |
240 |
1200 |
380 |
1910 |
570 |
2890 |
1110 |
5570 |
| Typ |
02 |
12 |
22/23 |
32/33 |
42/43 |
52/53 |
62/63 |
| n2[об/мин] |
Fa[Н] |
Fr[Н] |
Fa[Н] |
Fr[Н] |
Fa[Н] |
Fr[Н] |
Fa[Н] |
Fr[Н] |
Fa[Н] |
Fr[Н] |
Fa[Н] |
Fr[Н] |
Fa[Н] |
Fr[Н] |
| 300 |
130 |
640 |
170 |
860 |
190 |
940 |
1170 |
2940 |
1430 |
3580 |
1930 |
4820 |
2110 |
8210 |
| 250 |
140 |
680 |
180 |
920 |
200 |
1000 |
1240 |
3100 |
1510 |
3780 |
2040 |
5100 |
2220 |
8680 |
| 200 |
150 |
740 |
200 |
990 |
220 |
1080 |
1330 |
3320 |
1620 |
4040 |
2180 |
5450 |
2380 |
9280 |
| 150 |
160 |
810 |
220 |
1080 |
240 |
1190 |
1450 |
3620 |
1760 |
4400 |
2380 |
5940 |
2590 |
10110 |
| 100 |
190 |
930 |
250 |
1240 |
270 |
1360 |
1630 |
4080 |
1990 |
4970 |
2680 |
6710 |
2930 |
11420 |
| 80 |
200 |
1000 |
270 |
1340 |
290 |
1460 |
1750 |
4370 |
2130 |
5320 |
2870 |
7170 |
3130 |
12210 |
| 60 |
220 |
1100 |
290 |
1470
|
320
|
1610
|
1900
|
4760
|
2320
|
5800
|
3130
|
7820
|
3410
|
13310
|
| 40
|
250
|
1260
|
340
|
1690
|
370
|
1840
|
2150
|
5380
|
2620
|
6540
|
3530
|
8830
|
3860
|
15040
|
| 20
|
320
|
1580
|
420
|
2120
|
460
|
2320
|
2650
|
6620
|
3220
|
8060
|
4350
|
10870
|
4750
|
18510
|
ТАБ.5
ЧЕРТЕЖИ
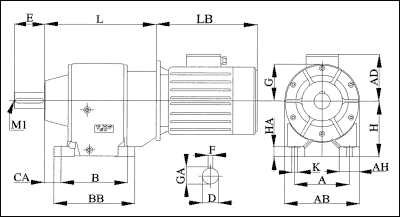
Вариант исполнения на лапах MTC 1
|
A |
AB |
AH |
B |
BB |
CA |
Dk6 |
E |
F |
G |
H |
HA |
K |
M1 |
GA |
| MTC 11 |
125 |
155 |
60 |
70 |
98 |
16 |
24 |
50 |
8 |
200 |
70 |
15 |
11 |
M8 |
27 |
| MTC 21 |
145 |
175 |
70 |
80 |
110 |
19 |
28 |
60 |
8 |
230 |
80 |
20 |
11 |
M10 |
31 |
| MTC 31 |
180 |
220 |
85 |
100 |
140 |
24 |
38 |
70 |
10 |
285 |
100 |
25 |
13 |
M12 |
41 |
| MTC 41 |
220 |
270 |
115 |
130 |
180 |
31 |
48 |
110 |
14 |
372 |
132 |
30 |
13 |
M16 |
51,5 |
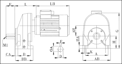
Вариант исполнения на лапах MTC 2
|
A |
AB |
AH |
B |
BB |
CA |
D |
E |
F |
G |
GA |
H |
HA |
K |
L |
M1 |
| MTC 02 |
110 |
138 |
27 |
90 |
117 |
18 |
14 |
40 |
5 |
65 |
16,1 |
71 |
14 |
9 |
140 |
M5 |
| MTC 12 |
110 |
138 |
27 |
90 |
117 |
18 |
16 |
40 |
5 |
65 |
18,1 |
75 |
14 |
9 |
140 |
M5 |
| MTC 22 |
110 |
138 |
27 |
110 |
135 |
18 |
20 |
40 |
6 |
65 |
22,5 |
75 |
14 |
9 |
155 |
M6 |
| MTC 32 |
110 |
148 |
35 |
130 |
160 |
25 |
25 |
50 |
8 |
70 |
27,9 |
90 |
20 |
9 |
205 |
M10 |
| MTC 42 |
135 |
185 |
50 |
150 |
185 |
30 |
30 |
60 |
8 |
85 |
32,9 |
115 |
25 |
14 |
225 |
M10 |
| MTC 52 |
135 |
185 |
50 |
165 |
200 |
40 |
40 |
75 |
12 |
95 |
43,1 |
140 |
25 |
14 |
255 |
M12 |
| MTC 62 |
215 |
270 |
55 |
260 |
300 |
40 |
50 |
100 |
14 |
115 |
53,8 |
180 |
35 |
18 |
310 |
M16 |
| MTC 72 |
250 |
340 |
85 |
310 |
360 |
40 |
60 |
120 |
18 |
130 |
64,2 |
225 |
50 |
22 |
390 |
M20 |
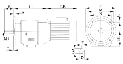
Вариант исполнения с фланцем MTC 2
|
D |
E |
F |
GA |
H1 |
L |
M1 |
M |
N |
P |
S |
T |
LA |
| MTC 02 |
14 |
40 |
5 |
16,1 |
71 |
140 |
M5 |
115 |
95 |
140 |
10 |
3 |
8 |
| MTC 12 |
16 |
40 |
5 |
18,1 |
75 |
140 |
M5 |
130 |
110 |
160 |
10 |
3,5 |
10 |
| MTC 22 |
20 |
40 |
6 |
22,5 |
75 |
155 |
M6 |
130 |
110 |
160 |
10 |
3,5 |
10 |
| MTC 32 |
25 |
50 |
8 |
27,9 |
90 |
205 |
M10 |
130 |
110 |
160 |
10 |
3,5 |
10 |
| MTC 42 |
30 |
60 |
8 |
32,9 |
115 |
225 |
M10 |
165 |
130 |
200 |
12 |
3,5 |
10 |
| MTC 52 |
40 |
75 |
12 |
43,1 |
140 |
255 |
M12 |
215 |
180 |
200 |
15 |
4 |
12 |
| MTC 62 |
50 |
100 |
14 |
53,8 |
180 |
310 |
M16 |
265 |
230 |
300 |
15 |
4 |
20 |
| MTC 72 |
60 |
120 |
18 |
64,2 |
225 |
395 |
M20 |
300 |
250 |
350 |
17 |
5 |
20 |
Вариант исполнения на лапах MTC 3
|
A |
AB |
AH |
B |
BB |
CA |
D |
E |
F |
G |
GA |
H |
HA |
K |
L |
M1 |
| MTC 23 |
110
|
138
|
27
|
110
|
135
|
18
|
20
|
40
|
6
|
65
|
22,5
|
75
|
14
|
9
|
175
|
M6
|
| MTC 33 |
110
|
148
|
35
|
130
|
160
|
25
|
25
|
50
|
8
|
70
|
27,9
|
90
|
20
|
9
|
228
|
M10
|
| MTC 43 |
135
|
185
|
50
|
150
|
185
|
30
|
30
|
60
|
8
|
85
|
32,9
|
115
|
25
|
14
|
246
|
M10
|
| MTC 53 |
135
|
185
|
50
|
165
|
200
|
40
|
40
|
75
|
12
|
95
|
43,1
|
140
|
25
|
14
|
287
|
M12
|
| MTC 63 |
215
|
270
|
55
|
260
|
300
|
40
|
50
|
100
|
14
|
115
|
53,8
|
180
|
35
|
18
|
310
|
M16
|
| MTC 73 |
250
|
340
|
85
|
310
|
360
|
40
|
60
|
120
|
18
|
130
|
64,2
|
225
|
50
|
22
|
395
|
M20
|
Вариант исполнения с фланцем MTC 3
|
A |
AB |
AH |
B |
BB |
CA |
D |
E |
F |
G |
GA |
H |
HA |
K |
L |
M1 |
| MTC 23 |
110 |
138 |
27 |
110 |
135 |
18 |
20 |
40 |
6 |
65 |
22,5 |
75 |
14 |
9 |
175 |
M6 |
| MTC 33 |
110 |
148 |
35 |
130 |
160 |
25 |
25 |
50 |
8 |
70 |
27,9 |
90 |
20 |
9 |
228 |
M10 |
| MTC 43 |
135 |
185 |
50 |
150 |
185 |
30 |
30 |
60 |
8 |
85 |
32,9 |
115 |
25 |
14 |
246 |
M10 |
| MTC 53 |
135 |
185 |
50 |
165 |
200 |
40 |
40 |
75 |
12 |
95 |
43,1 |
140 |
25 |
14 |
287 |
M12 |
| MTC 63 |
215 |
270 |
55 |
260 |
300 |
40 |
50 |
100 |
14 |
115 |
53,8 |
180 |
35 |
18 |
310 |
M16 |
| MTC 73 |
250 |
340 |
85 |
310 |
360 |
40 |
60 |
120 |
18 |
130 |
64,2 |
225 |
50 |
22 |
395 |
M20 |
ТЕХНИЧЕСКИЕ ХАРАКТЕРИСТИКИ
MTC |
Передаточное
отношение
|
Частота вращения выходного вала |
Макс. крутящий
момент на выходе |
Макс. мощность
на входе |
Крутящий
момент на выходе |
Электродвигатель |
n2 |
M2max |
P1 |
M2 |
мощность |
тип |
об/мин |
Н*м |
кВт |
Н*м |
кВт |
| 02 |
4,4 |
320 |
33 |
1,153 |
11 |
0,37 |
АИР63В4 |
6,2 |
228 |
36 |
0,894 |
15 |
0,37 |
АИР63В4 |
8,1 |
174 |
38 |
0,720 |
20 |
0,37 |
АИР63В4 |
10,4 |
135 |
36 |
0,531 |
25 |
0,37 |
АИР63В4 |
12,5 |
112 |
38 |
0,463 |
30 |
0,37 |
АИР63В4 |
14,9 |
94 |
38 |
0,390 |
36 |
0,37 |
АИР63В4 |
19,7 |
71 |
40 |
0,309 |
32 |
0,25 |
АИР63А4 |
| 11 |
2,1 |
660 |
60 |
4,304 |
10 |
0,75 |
АИР71В4 |
2,4 |
586 |
62 |
3,943 |
12 |
0,75 |
АИР71В4 |
2,5 |
550 |
63 |
3,764 |
13 |
0,75 |
АИР71В4 |
2,7 |
516 |
64 |
3,586 |
13 |
0,75 |
АИР71В4 |
3,1 |
451 |
67 |
3,281 |
17 |
0,75 |
АИР71В4 |
3,6 |
390 |
69 |
2,924 |
18 |
0,75 |
АИР71В4 |
3,9 |
357 |
47 |
1,825 |
19 |
0,75 |
АИР71В4 |
4,6 |
303 |
49 |
1,613 |
25 |
0,75 |
АИР71В4 |
5,2 |
269 |
50 |
1,459 |
26 |
0,75 |
АИР71В4 |
| 12 |
4,2 |
336 |
40 |
1,465 |
10 |
0,37 |
АИР63В4 |
5,1 |
277 |
42 |
1,269 |
12 |
0,37 |
АИР63В4 |
6,1 |
228 |
42 |
1,046 |
15 |
0,37 |
АИР63В4 |
7,6 |
185 |
42 |
0,848 |
18 |
0,37 |
АИР63В4 |
8,2 |
172 |
42 |
0,786 |
20 |
0,37 |
АИР63В4 |
10,1 |
140 |
46 |
0,698 |
24 |
0,37 |
АИР63В4 |
11,7 |
119 |
46 |
0,599 |
28 |
0,37 |
АИР63В4 |
13,9 |
101 |
46 |
0,506 |
34 |
0,37 |
АИР63В4 |
16,4 |
85 |
46 |
0,427 |
40 |
0,37 |
АИР63В4 |
17,8 |
79 |
48 |
0,413 |
43 |
0,37 |
АИР63В4 |
21,3 |
66 |
46 |
0,330 |
35 |
0,25 |
АИР63А4 |
23,8 |
59 |
48 |
0,309 |
39 |
0,25 |
АИР63А4 |
26,0 |
54 |
51 |
0,299 |
43 |
0,25 |
АИР63А4 |
31,8 |
44 |
51 |
0,245 |
51 |
0,25 |
АИР63А4 |
| 21 |
2,1 |
670 |
193 |
14,036 |
21 |
1,5 |
АИР80В4 |
2,2 |
626 |
197 |
13,386 |
22 |
1,5 |
АИР80В4 |
2,6 |
543 |
205 |
12,088 |
26 |
1,5 |
АИР80В4 |
2,8 |
504 |
209 |
11,441 |
27 |
1,5 |
АИР80В4 |
3,3 |
431 |
218 |
10,200 |
32 |
1,5 |
АИР80В4 |
3,5 |
396 |
222 |
9,556 |
23 |
1,5 |
АИР80В4 |
4,1 |
345 |
172 |
6,449 |
40 |
1,5 |
АИР80В4 |
4,4 |
322 |
174 |
6,079 |
43 |
1,5 |
АИР80В4 |
5,1 |
276 |
179 |
5,372 |
50 |
1,5 |
АИР80В4 |
| 22 |
4,2 |
336 |
62 |
2,272 |
41 |
1,5 |
АИР80В4 |
5,1 |
276 |
65 |
1,963 |
50 |
1,5 |
АИР80В4 |
6,1 |
228 |
61 |
1,519 |
60 |
1,5 |
АИР80В4 |
7,6 |
185 |
61 |
1,231 |
55 |
1,1 |
АИР80А4 |
8,2 |
172 |
61 |
1,142 |
60 |
1,1 |
АИР80А4 |
10,1 |
140 |
70 |
1,062 |
70 |
1,1 |
АИР80А4 |
11,7 |
119 |
70 |
0,911 |
58 |
0,75 |
АИР71В4 |
13,9 |
101 |
70 |
0,770 |
68 |
0,75 |
АИР71В4 |
16,4 |
85 |
75 |
0,697 |
59 |
0,55 |
АИР71А4 |
17,8 |
79 |
74 |
0,636 |
64 |
0,55 |
АИР71А4 |
21,3 |
66 |
75 |
0,538 |
75 |
0,55 |
АИР71А4 |
23,8 |
59 |
74 |
0,476 |
58 |
0,37 |
АИР63В4 |
26,0 |
54 |
78 |
0,458 |
63 |
0,37 |
АИР63В4 |
31,8 |
44 |
78 |
0,375 |
77 |
0,37 |
АИР63В4 |
| 23 |
37,9 |
37 |
68 |
0,286 |
59 |
0,25 |
АИР63А4 |
44,5 |
31 |
70 |
0,251 |
70 |
0,25 |
АИР63А4 |
48,5 |
29 |
72 |
0,237 |
55 |
0,18 |
АИР56В4 |
53,1 |
26 |
73 |
0,219 |
60 |
0,18 |
АИР56В4 |
68,9 |
20 |
64 |
0,148 |
52 |
0,12 |
АИР56А4 |
79,5 |
18 |
67 |
0,134 |
60 |
0,12 |
АИР56А4 |
92,7 |
15 |
69 |
0,119 |
69 |
0,12 |
АИР56А4 |
109,6 |
13 |
72 |
0,105 |
62 |
0,09 |
АИР50В4 |
132,2 |
11 |
74 |
0,089 |
74 |
0,09 |
АИР50В4 |
| 31 |
2,0 |
700 |
276 |
20,605 |
54 |
4,0 |
АИР100L4 |
2,3 |
614 |
287 |
19,142 |
60 |
4,0 |
АИР100L4 |
2,6 |
546 |
297 |
17,608 |
67 |
4,0 |
АИР100L4 |
2,9 |
483 |
307 |
16,071 |
77 |
4,0 |
АИР100L4 |
3,2 |
444 |
317 |
15,304 |
83 |
4,0 |
АИР100L4 |
3,6 |
394 |
322 |
13,770 |
94 |
4,0 |
АИР100L4 |
4,1 |
350 |
327 |
12,239 |
107 |
4,0 |
АИР100L4 |
4,5 |
313 |
337 |
11,473 |
117 |
4,0 |
АИР100L4 |
4,6 |
308 |
257 |
8,590 |
120 |
4,0 |
АИР100L4 |
5,2 |
271 |
263 |
7,740 |
136 |
4,0 |
АИР100L4 |
5,5 |
253 |
266 |
7,316 |
145 |
4,0 |
АИР100L4 |
| 32 |
4,2 |
335 |
102 |
3,725 |
41 |
1,5 |
АИР80В4 |
4,9 |
285 |
120 |
3,724 |
49 |
1,5 |
АИР80В4 |
5,9 |
239 |
143 |
3,730 |
58 |
1,5 |
АИР80В4 |
7,1 |
200 |
158 |
3,409 |
70 |
1,5 |
АИР80В4 |
8,4 |
167 |
150 |
2,727 |
83 |
1,5 |
АИР80В4 |
10,2 |
138 |
158 |
2,376 |
87 |
1,5 |
АИР80В4 |
12,3 |
114 |
140 |
1,745 |
120 |
1,5 |
АИР80В4 |
14,8 |
95 |
158 |
1,629 |
145 |
1,5 |
АИР80В4 |
17,4 |
80 |
158 |
1,386 |
125 |
1,1 |
АИР80А4 |
20,7 |
68 |
111 |
0,819 |
102 |
0,75 |
АИР71В4 |
22,5 |
62 |
111 |
0,753 |
111 |
0,75 |
АИР71В4 |
26,4 |
53 |
115 |
0,664 |
95 |
0,55 |
АИР71А4 |
31,5 |
44 |
116 |
0,562 |
114 |
0,55 |
АИР71А4 |
38,3 |
37 |
119 |
0,475 |
93 |
0,37 |
АИР63В4 |
| 33 |
43,7 |
32 |
101 |
0,368 |
101 |
0,37 |
АИР63В4 |
51,4 |
27 |
119 |
0,369 |
119 |
0,37 |
АИР63В4 |
61,2 |
23 |
142 |
0,370 |
142 |
0,37 |
АИР63В4 |
73,9 |
19 |
158 |
0,340 |
116 |
0,25 |
АИР63А4 |
82,5 |
17 |
108 |
0,209 |
93 |
0,18 |
АИР56В4 |
95,6 |
15 |
111 |
0,185 |
110 |
0,18 |
АИР56В4 |
113,4 |
12 |
111 |
0,156 |
85 |
0,12 |
АИР56А4 |
133,3 |
10 |
115 |
0,137 |
101 |
0,12 |
АИР56А4 |
146,4 |
9,5 |
115 |
0,125 |
114 |
0,12 |
АИР56А4 |
175,9 |
8,0 |
115 |
0,104 |
133 |
0,12 |
АИР56А4 |
210,9 |
6,6 |
118 |
0,089 |
118 |
0,09 |
АИР56В4 |
233,2 |
6,0 |
118 |
0,081 |
89 |
0,06 |
АИР50А4 |
| 41 |
2,1 |
700 |
660 |
48,184 |
75 |
5,5 |
АИР112М4 |
2,4 |
592 |
686 |
44,129 |
85 |
5,5 |
АИР112М4 |
2,5 |
555 |
699 |
42,115 |
91 |
5,5 |
АИР112М4 |
2,7 |
519 |
713 |
40,158 |
98 |
5,5 |
АИР112М4 |
3,1 |
450 |
739 |
36,124 |
113 |
5,5 |
АИР112М4 |
3,7 |
382 |
516 |
21,399 |
133 |
5,5 |
АИР112М4 |
4,1 |
342 |
528 |
19,627 |
148 |
5,5 |
АИР112М4 |
4,6 |
304 |
540 |
17,852 |
166 |
5,5 |
АИР112М4 |
4,9 |
286 |
545 |
16,931 |
177 |
5,5 |
АИР112М4 |
5,6 |
250 |
557 |
15,158 |
202 |
5,5 |
АИР112М4 |
6,2 |
227 |
651 |
16,053 |
223 |
5,5 |
АИР112М4 |
6,6 |
213 |
657 |
15,166 |
238 |
5,5 |
АИР112М4 |
| 42 |
4,1 |
339 |
183 |
6,757 |
108 |
4,0 |
АИР100L4 |
5,0 |
278 |
196 |
5,935 |
132 |
4,0 |
АИР100L4 |
6,1 |
231 |
236 |
5,948 |
159 |
4,0 |
АИР100L4 |
7,4 |
189 |
219 |
4,505 |
195 |
4,0 |
АИР100L4 |
8,8 |
158 |
248 |
4,286 |
231 |
4,0 |
АИР100L4 |
10,6 |
132 |
261 |
3,754 |
209 |
3,0 |
АИР100S4 |
12,0 |
116 |
242 |
3,073 |
242 |
3,0 |
АИР100S4 |
14,3 |
98 |
248 |
2,658 |
205 |
2,2 |
АИР90L4 |
17,1 |
82 |
261 |
2,328 |
247 |
2,2 |
АИР90L4 |
20,3 |
69 |
244 |
1,836 |
199 |
1,5 |
АИР80В4 |
24,1 |
58 |
269 |
1,704 |
237 |
1,5 |
АИР80В4 |
27,0 |
52 |
246 |
1,389 |
195 |
1,1 |
АИР80А4 |
32,0 |
44 |
254 |
1,213 |
230 |
1,1 |
АИР80А4 |
37,4 |
37 |
197 |
0,804 |
184 |
0,75 |
АИР71В4 |
41,1 |
34 |
195 |
0,724 |
148 |
0,55 |
АИР71А4 |
48,0 |
29 |
199 |
0,633 |
173 |
0,55 |
АИР71А4 |
| 43 |
45,3 |
31 |
246 |
0,866 |
213 |
0,75 |
АИР71В4 |
53,1 |
26 |
278 |
0,834 |
250 |
0,75 |
АИР71В4 |
63,3 |
22 |
287 |
0,722 |
219 |
0,55 |
АИР71А4 |
69,6 |
20 |
287 |
0,657 |
240 |
0,55 |
АИР71А4 |
83,6 |
17 |
323 |
0,616 |
288 |
0,55 |
АИР71А4 |
93,5 |
15 |
331 |
0,564 |
323 |
0,55 |
АИР71А4 |
112,9 |
12 |
266 |
0,375 |
262 |
0,37 |
АИР63В4 |
131,8 |
10,5 |
266 |
0,322 |
207 |
0,25 |
АИР63А4 |
152,7 |
9,0 |
266 |
0,278 |
239 |
0,25 |
АИР63А4 |
183,1 |
7,5 |
266 |
0,231 |
207 |
0,18 |
АИР56В4 |
213,0 |
6,5 |
191 |
0,143 |
159 |
0,12 |
АИР56А4 |
249,0 |
5,5 |
189 |
0,121 |
187 |
0,12 |
АИР56А4 |
269,6 |
5,0 |
191 |
0,113 |
200 |
0,12 |
АИР56А4 |
| 52 |
4,1 |
340 |
249 |
9,242 |
108 |
4,0 |
АИР100L4 |
5,2 |
268 |
271 |
7,913 |
137 |
4,0 |
АИР100L4 |
6,1 |
230 |
315 |
7,908 |
160 |
4,0 |
АИР100L4 |
7,5 |
188 |
301 |
6,161 |
195 |
4,0 |
АИР100L4 |
8,7 |
161 |
350 |
6,158 |
227 |
4,0 |
АИР100L4 |
10,1 |
139 |
363 |
5,499 |
264 |
4,0 |
АИР100L4 |
11,9 |
118 |
376 |
4,840 |
311 |
4,0 |
АИР100L4 |
15,3 |
92 |
434 |
4,345 |
400 |
4,0 |
АИР100L4 |
17,6 |
80 |
418 |
3,629 |
346 |
3,0 |
АИР100S4 |
20,9 |
67 |
434 |
3,175 |
410 |
3,0 |
АИР100S4 |
23,9 |
59 |
475 |
3,041 |
470 |
3,0 |
АИР100S4 |
26,1 |
54 |
381 |
2,232 |
376 |
2,2 |
АИР90L4 |
32,1 |
44 |
381 |
1,815 |
315 |
1,5 |
АИР80В4 |
36,5 |
38 |
381 |
1,595 |
363 |
1,5 |
АИР80В4 |
41,1 |
34 |
381 |
1,415 |
296 |
1,1 |
АИР80А4 |
48,2 |
29 |
259 |
0,821 |
347 |
1,1 |
АИР80А4 |
| 53 |
43,4 |
32 |
467 |
1,715 |
408 |
1,5 |
АИР80В4 |
50,1 |
28 |
479 |
1,522 |
472 |
1,5 |
АИР80В4 |
60,9 |
23 |
498 |
1,303 |
420 |
1,1 |
АИР80А4 |
72,0 |
19 |
498 |
1,102 |
497 |
1,1 |
АИР80А4 |
79,4 |
17 |
498 |
1,000 |
374 |
0,75 |
АИР71В4 |
96,6 |
14 |
498 |
0,821 |
455 |
0,75 |
АИР71В4 |
120,6 |
12 |
479 |
0,633 |
416 |
0,55 |
АИР71А4 |
128,7 |
11 |
479 |
0,593 |
444 |
0,55 |
АИР71А4 |
154,2 |
9,0 |
498 |
0,515 |
358 |
0,37 |
АИР63В4 |
170,1 |
8,0 |
507 |
0,475 |
395 |
0,37 |
АИР63В4 |
207,8 |
6,5 |
265 |
0,203 |
235 |
0,18 |
АИР56В4 |
233,6 |
6,0 |
270 |
0,184 |
264 |
0,18 |
АИР56В4 |
263,4 |
5,5 |
272 |
0,165 |
198 |
0,12 |
АИР56А4 |
| 62 |
4,5 |
312 |
601 |
21,364 |
155 |
5,5 |
АИР112М4 |
5,3 |
262 |
633 |
18,901 |
184 |
5,5 |
АИР112М4 |
6,1 |
231 |
655 |
17,258 |
209 |
5,5 |
АИР112М4 |
7,6 |
185 |
739 |
15,614 |
260 |
5,5 |
АИР112М4 |
8,8 |
159 |
928 |
16,826 |
303 |
5,5 |
АИР112М4 |
10,0 |
140 |
928 |
14,733 |
343 |
5,5 |
АИР112М4 |
12,5 |
112 |
928 |
11,833 |
431 |
5,5 |
АИР112М4 |
14,7 |
95 |
928 |
10,045 |
508 |
5,5 |
АИР112М4 |
17,9 |
78 |
830 |
7,396 |
617 |
5,5 |
АИР112М4 |
20,9 |
67 |
848 |
6,471 |
721 |
5,5 |
АИР112М4 |
24,2 |
58 |
806 |
5,298 |
609 |
4,0 |
АИР100L4 |
26,1 |
54 |
806 |
4,920 |
655 |
4,0 |
АИР100L4 |
28,7 |
49 |
822 |
4,568 |
720 |
4,0 |
АИР100L4 |
34,4 |
41 |
822 |
3,807 |
648 |
3,0 |
АИР100S4 |
41,3 |
34 |
681 |
2,624 |
570 |
2,2 |
АИР90L4 |
| 63 |
32,5 |
43 |
511 |
2,508 |
306 |
1,5 |
АИР80В4 |
38,7 |
36 |
539 |
2,218 |
365 |
1,5 |
АИР80В4 |
43,9 |
32 |
558 |
2,025 |
413 |
1,5 |
АИР80В4 |
54,7 |
26 |
629 |
1,833 |
515 |
1,5 |
АИР80В4 |
63,7 |
22 |
810 |
2,025 |
600 |
1,5 |
АИР80В4 |
72,8 |
19 |
837 |
1,833 |
685 |
1,5 |
АИР80В4 |
90,6 |
15 |
878 |
1,543 |
854 |
1,5 |
АИР80В4 |
106,8 |
13 |
905 |
1,350 |
737 |
1,1 |
АИР80А4 |
129,7 |
11 |
706 |
0,868 |
610 |
0,75 |
АИР71В4 |
151,4 |
9,0 |
722 |
0,760 |
713 |
0,75 |
АИР71В4 |
175,7 |
8,0 |
837 |
0,760 |
826 |
0,75 |
АИР71В4 |
189,2 |
7,5 |
837 |
0,705 |
653 |
0,55 |
АИР71А4 |
207,8 |
6,5 |
905 |
0,694 |
717 |
0,55 |
АИР71А4 |
249,4 |
5,5 |
767 |
0,490 |
579 |
0,37 |
АИР63В4 |
299,7 |
4,5 |
764 |
0,406 |
695 |
0,37 |
АИР63В4 |
| 72 |
6,3 |
223 |
1134 |
28,5 |
438 |
11,0 |
АИР132М4 |
7,3 |
193 |
1176 |
25,5 |
507 |
11,0 |
АИР132М4 |
9,2 |
153 |
1308 |
22,5 |
640 |
11,0 |
АИР132М4 |
10,9 |
128 |
1344 |
19,5 |
758 |
11,0 |
АИР132М4 |
13,1 |
107 |
1366 |
16,5 |
910 |
11,0 |
АИР132М4 |
15,6 |
90 |
1479 |
15 |
1085 |
11,0 |
АИР132М4 |
19,1 |
73 |
1811 |
15 |
1328 |
11,0 |
АИР132М4 |
20,6 |
68 |
1591 |
12,1 |
1446 |
11,0 |
АИР132М4 |
| 73 |
27,7 |
51 |
1707 |
9,75 |
963 |
5,5 |
АИР112М4 |
31,9 |
45 |
1814 |
9 |
1109 |
5,5 |
АИР112М4 |
40,3 |
35 |
1821 |
7,15 |
1400 |
5,5 |
АИР112М4 |
47,9 |
29 |
1832 |
6,05 |
1514 |
5,5 |
АИР112М4 |
57,7 |
24 |
1894 |
5,2 |
1457 |
4,0 |
АИР100L4 |
60,4 |
23 |
1985 |
5,2 |
1527 |
4,0 |
АИР100L4 |
68,5 |
21 |
2078 |
4,8 |
1732 |
4,0 |
АИР100L4 |
69,8 |
20 |
1942 |
4,4 |
1765 |
4,0 |
АИР100L4 |
83,9 |
17 |
2068 |
3,9 |
1590 |
3,0 |
АИР100S4 |
88,1 |
16 |
2005 |
3,6 |
1670 |
3,0 |
АИР100S4 |
91,3 |
15 |
2252 |
3,9 |
1732 |
3,0 |
АИР100S4 |
104,8 |
13 |
2187 |
3,3 |
1988 |
3,0 |
АИР100S4 |
112,6 |
12 |
2563 |
3,6 |
2136 |
3,0 |
АИР100S4 |
126,0 |
11 |
2102 |
2,64 |
1460 |
2,2 |
АИР90L4 |
136,5 |
10 |
2278 |
2,64 |
1898 |
2,2 |
АИР90L4 |
149,7 |
9,5 |
2290 |
2,42 |
2082 |
2,2 |
АИР90L4 |
183,3 |
7,5 |
2259 |
1,95 |
1738 |
1,5 |
АИР80В4 |
199,6 |
7,0 |
2272 |
1,8 |
1893 |
1,5 |
АИР80В4 |
246,0 |
5,5 |
2333 |
1,5 |
2333 |
1,5 |
АИР80В4 |
298,4 |
4,5 |
2075 |
1,1 |
2075 |
1,1 |
АИР80А4 |
Смазка мотор-редукторов
Одноступенчатые
|
Одноступенчатые |
| модель и типоразмер |
вариант исполнения |
МТС 11 |
МТС 21 |
МТС 31 |
МТС 41 |
| Объем масла [л] |
B (горизонтальное) ,
V (вертикальное) |
0,3 |
0,4 |
0,5 |
1,1 |
Двухступенчатые
| модель и типоразмер |
вариант исполнения |
МТС 02 |
МТС 12 |
МТС 22 |
МТС 32 |
МТС 42 |
МТС 52 |
МТС 62 |
| Объем масла [л] |
B (горизонтальное) ,
V (вертикальное) |
0,23 |
0,28 |
0,30 |
0,50 |
1,00 |
1,30 |
2,50 |
Трехступенчатые
| модель и типоразмер |
вариант исполнения |
МТС 23 |
МТС 33 |
МТС 43 |
МТС 53 |
МТС63 |
| Объем масла [л] |
B (горизонтальное) |
0,45 |
0,50 |
1,00 |
1,50 |
2,50 |
| Объем масла [л] |
V (вертикальное) |
0,50 |
1,10 |
1,80 |
2,15 |
2,80 |
Типовое обозначение
Типоразмер: определяется обозначением 0 - 6 согласно характеристическим значениям в таблице 15
| размер |
одноступенчатый |
двухступенчатый |
трехступенчатый |
| выходной вал |
обозначение |
выходной вал |
обозначение |
выходной вал |
обозначение |
| вала |
высота оси |
вала |
высота оси |
вала |
высота оси |
| 0 |
- |
- |
- |
14 |
71 |
0 2 |
- |
- |
- |
| 1 |
24 |
70 |
1 1 |
16 |
75 |
1 2 |
- |
- |
- |
| 2 |
28 |
80 |
2 1 |
20 |
75 |
2 2 |
20 |
75 |
2 3 |
| 3 |
38 |
100 |
3 1 |
25 |
90 |
3 2 |
25 |
90 |
3 3 |
| 4 |
48 |
132 |
4 1 |
30 |
115 |
4 2 |
30 |
115 |
4 3 |
| 5 |
- |
- |
- |
40 |
140 |
5 2 |
40 |
140 |
5 3 |
| 6 |
- |
- |
- |
50 |
180 |
6 2 |
50 |
180 |
6 3 |
| 7 |
- |
- |
- |
60 |
225 |
7 2 |
60 |
225 |
7 3 |
Число ступеней :
- одноступенчатая передача;
- двухступенчатая передача;
- трехступенчатая передача;
Варианты исполнения мотор-редуктора:
Форма и компоновка картера позволяет применение мотор-редуктора в разных
рабочих положениях, показанных в таблице 16.
- вариант исполнения на лапах, ось горизонтальная, лапы внизу (B3);
- вариант исполнения на лапах, ось горизонтальная, лапы вверху (B8);
- фланцевый вариант исполнения, ось горизонтальная (B5);
- вариант исполнения на лапах, ось горизонтальная, лапы налево - вид от двигателя (B6);
- вариант исполнения на лапах, ось вертикальная, двигатель над редуктором – выходным валом вниз (V5);
- вариант исполнения на лапах, ось вертикальная, двигатель под редуктором – выходным валом вверх (V1);
- вариант исполнения на лапах, ось горизонтальная, лапы направо - вид от двигателя (B7);
- фланцевый вариант исполнения, ось вертикальная - двигатель над редуктором – выходным валом вниз (V6);
- вариант исполнения с фланцем, ось вертикальная - двигатель под редуктором – выходным валом вверх (V3);
ПРИМЕР УСЛОВНОГО ОБОЗНАЧЕНИЯ В ЗАКАЗЕ:
Редуктор MTC 42-32,0-44-В3-1,1, что означает:
- MTC – мотор-редуктор цилиндрический;
- 4 – типоразмер мотор-редуктора;
- 2 – количество ступеней;
- 32,0 – передаточное отношение;
- 44 – частота вращения выходного вала, об/мин;
- В3 – вариант исполнения на лапах;
- 1,1 – мощность комплектующего электродвигателя.
|