 |
 |
|
 |
 |
Приводная техника

Вся продукция сертифицирована. Мы будем рады видеть Вас клиентом нашей компании.

|
|
 |
 |
 |
Цилиндро-конический мотор-редуктор SEW-Eurodrive K, KA, KV, KH, KT, KF, KAF, KVF, KHF, KAZ, KVZ |
|
 |
 |
Цилиндро-конический мотор-редуктор SEW-Eurodrive K, KA, KV, KH, KT, KF, KAF, KVF, KHF, KAZ, KVZ |

|
Универсальный мотор-редуктор SEW-Eurodrive K, подходит для широкого ряда задач. Среди угловых редукторов характеризуются наибольшей стойкостью к переменным нагрузкам, частым пускам и поперечным усилиям на выходном валу. КПД:от 0,94 до 0,97(в зависимости от числа ступеней). Крутящий момент: от 200 до 50 000Нм. Количество типоразмеров редуктора:12. Диапазон передаточных чисел: от 6 до 32 000. Мотор-редукторы SEW-Eurodrive K широко применяется в таких областях как текстильная, пищевая, химическая промышленность, подъемно-транспортное оборудование, автоматические линии, металлургия, табачная, природоохранная, логистика и т.д. |
|
| |


|
SEW-Eurodrive K - На лапах с цельным валом
SEW-Eurodrive KF - С фланцем и цельным валом
SEW-Eurodrive KA, KV - С полым валом различных типов
SEW-Eurodrive KH - С полым валом со стяжной муфтой
SEW-Eurodrive KAF, KVF - С фланцем и полым валом
Габаритные и присоединительные размеры
Передаточные числа и максимальный крутящий момент
Монтажная позиция
|
| Тип |
Типоразмер |
| 37 |
47 |
57 |
67 |
77 |
87 |
| K.. |
Лапы |
K37 |
K47 |
K57 |
K67 |
K77 |
K87 |
| KA..B |
Лапы Полый вал |
KA37B |
KA47B |
KA57B |
KA67B |
KA77B |
KA87B |
| KV..B |
Лапы Полый вал Шлицевой |
KV37B |
KV47B |
KV57B |
KV67B |
KV77B |
KV87B |
| KH..B |
Лапы Полый вал Сжимающий диск |
KH37B |
KH47B |
KH57B |
KH67B |
KH77B |
KH87B |
| KF.. |
B5 Фланец |
KF37 |
KF47 |
KF57 |
KF67 |
KF77 |
KF87 |
| KAF.. |
B5 Фланец Полый вал |
KAF37 |
KAF47 |
KAF57 |
KAF67 |
KAF77 |
KAF87 |
| KVF.. |
B5 Фланец Полый вал Шлицевой |
KVF37 |
KVF47 |
KVF57 |
KVF67 |
KVF77 |
KVF87 |
| KHF.. |
B5 Фланец Полый вал Сжимающий диск |
KHF37 |
KHF47 |
KHF57 |
KHF67 |
KHF77 |
KHF87 |
| KA.. |
Полый вал |
KA37 |
KA47 |
KA57 |
KA67 |
KA77 |
KA87 |
| KV.. |
Полый вал Шлицевой |
KV37 |
KV47 |
KV57 |
KV67 |
KV77 |
KV87 |
| KH.. |
Полый вал Сжимающий диск |
KH37 |
KH47 |
KH57 |
KH67 |
KH77 |
KH87 |
| KT.. |
Полый вал / TorqLOC® |
KT37 |
KT47 |
KT57 |
KT67 |
KT77 |
KT87 |
| KAZ.. |
B14 Фланец Полый вал |
KAZ37 |
KAZ47 |
KAZ57 |
KAZ67 |
KAZ77 |
KAZ87 |
| KVZ.. |
B14 Фланец Полый вал Шлицевой |
KVZ37 |
KVZ47 |
KVZ57 |
KVZ67 |
KVZ77 |
KVZ87 |
| KHZ.. |
B14 Фланец Полый вал Сжимающий диск |
KHZ37 |
KHZ47 |
KHZ57 |
KHZ67 |
KHZ77 |
KHZ87 |
| Тип |
Типоразмер |
| 97 |
107 |
127 |
157 |
167 |
187 |
| K.. |
Лапы |
K97 |
K107 |
K127 |
K157 |
K167 |
K187 |
| KA..B |
Лапы Полый вал |
KA97B |
KA107B |
KA127B |
KA157B |
KA167B |
KA187B |
| KV..B |
Лапы Полый вал Шлицевой |
KV97B |
KV107B |
KV127B |
KV157B |
KV167B |
KV187B |
| KH..B |
Лапы Полый вал Сжимающий диск |
KH97B |
KH107B |
KH127B |
KH157B |
KH167B |
KH187B |
| KF.. |
B5 Фланец |
KF97 |
KF107 |
KF127 |
KF157 |
KF167 |
KF187 |
| KAF.. |
B5 Фланец Полый вал |
KAF97 |
KAF107 |
KAF127 |
KAF157 |
KAF167 |
KAF187 |
| KVF.. |
B5 Фланец Полый вал Шлицевой |
KVF97 |
KVF107 |
KVF127 |
KVF157 |
KVF167 |
KVF187 |
| KHF.. |
B5 Фланец Полый вал Сжимающий диск |
KHF97 |
KHF107 |
KHF127 |
KHF157 |
KHF167 |
KHF187 |
| KA.. |
Полый вал |
KA97 |
KA107 |
KA127 |
KA157 |
KA167 |
KA187 |
| KV.. |
Полый вал Шлицевой |
KV97 |
KV107 |
KV127 |
KV157 |
KV167 |
KV187 |
| KH.. |
Полый вал Сжимающий диск |
KH97 |
KH107 |
KH127 |
KH157 |
KH167 |
KH187 |
| KT.. |
Полый вал / TorqLOC® |
KT97 |
KT107 |
KT127 |
KT157 |
KT167 |
KT187 |
| KAZ.. |
B14 Фланец Полый вал |
KAZ97 |
KAZ107 |
KAZ127 |
KAZ157 |
KAZ167 |
KAZ187 |
| KVZ.. |
B14 Фланец Полый вал Шлицевой |
KVZ97 |
KVZ107 |
KVZ127 |
KVZ157 |
KVZ167 |
KVZ187 |
| KHZ.. |
B14 Фланец Полый вал Сжимающий диск |
KHZ97 |
KHZ107 |
KHZ127 |
KHZ157 |
KHZ167 |
KHZ187 |
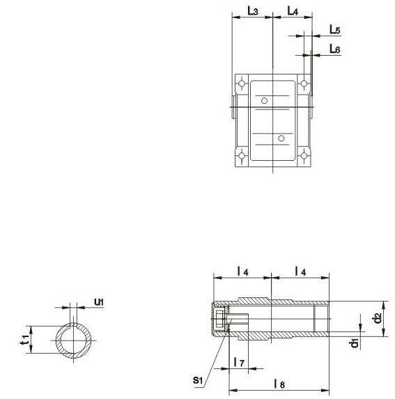
Габаритные и присоединительные размеры
К37..~К157..

КА37В..~ КА157..

Тип |
a b с |
e1 e2 f |
g1 g2 g3 |
h1 h2 |
j |
k |
m n |
Размеры вала |
d |
l |
l1 l2 |
S |
t u |
K37.. |
115 110 100 |
150 143 120 |
32 28 60 |
100, 63 |
16 |
11 |
37 38 |
25k6 |
50 |
5 40 |
M10 |
28 8 |
K47.. KA47B.. |
130 130 120 |
170 162 145 |
37 35 75 |
112, 71 |
188 |
11 |
37 32 |
30 k6 |
60 |
3.5 50 |
M10 |
33 8 |
K57.. KA57B.. |
150 130 130 |
190 172 157 |
45 30 88 |
132, 80 |
21 |
13.5 |
43 40 |
35 k6 |
70 |
7 56 |
M12 |
38 10 |
K67.. KA67B.. |
160 120 140 |
203 170 170 |
45 30 101 |
140, 90 |
24 |
13.5 |
43 45 |
40 k6 |
80 |
5 70 |
M16 |
43 12 |
K77.. KA77B.. |
200 150 165 |
263 208 200 |
55 40 123.5 |
180, 112 |
27 |
17.5 |
55 55 |
50 k6 |
100 |
10 80 |
M16 |
53.5 14 |
K87.. KA87B.. |
133 180 180 |
305 360 230 |
70 55 150 |
212, 132 |
32 |
22 |
67 75 |
60m6 |
120 |
5 110 |
M20 |
64 18 |
K97.. KA97B.. |
295 240 240 |
372 294 290 |
75 75 171 |
265, 160 |
36 |
26 |
82 60 |
70m6 |
140 |
7.5 125 |
M20 |
74.5 20 |
K107.. KA107B.. |
260 280 270 |
448 380 340 |
95 95 212 |
315, 200 |
40 |
33 |
98 100 |
90m6 |
170 |
5 160 |
M24 |
95 25 |
K127.. KA127B.. |
420 350 330 |
526 440 400 |
110 115 253 |
375, 225 |
45 |
39 |
111 100 |
110m6 |
210 |
15 180 |
M24 |
116 28 |
K157.. KA157B.. |
500 380 420 |
634 480 500 |
130 140 247 |
450, 280 |
50 |
39 |
130 100 |
120m6 |
210 |
5 200 |
M24 |
127 32 |
Тип |
Размер полого вала |
H |
L1 L2 |
L3 |
N |
Q |
d1 |
d2 |
l3 l4 |
l5 l6 |
l7 l8 |
s1 |
t1 u1 |
K37.. |
- |
- |
- |
- |
- |
- |
- |
165 |
110 60 |
139 |
8.5 |
120 |
K47.. KA47B.. |
35H7 |
50 |
78 75 |
15 3 |
22 132 |
M12x30 |
38.3 10 |
185 |
135 72 |
166 |
7.2 |
160 |
K57.. KA57B.. |
40H7 |
55 |
86 83 |
18 3 |
29 142 |
M16x40 |
43.3 12 |
217 |
153 80 |
173 |
13.1 |
160 |
K67.. KA67B.. |
40H7 |
55 |
93 90 |
20 3.5 |
29 156 |
M16x40 |
43.3 12 |
228 |
171 86.5 |
179 |
20 |
160 |
K77.. KA77B.. |
50H7 |
70 |
108 105 |
22.5 4 |
32 183 |
M16x45 |
53.8 14 |
228 |
206 101 |
202 |
31.3 |
200 |
K87.. KA87B.. |
60H7 |
85 |
123 120 |
30 4 |
36 210 |
M20x50 |
64.4 18 |
340 |
240 116 |
257 |
25.9 |
250 |
K97.. KA97B.. |
70H7 |
95 |
153 150 |
30 4 |
34 270 |
M20x50 |
74.9 20 |
417 |
291 146 |
277 |
32.3 |
300 |
K107.. KA107B.. |
90H7 |
118 |
178 175 |
40 2.5 |
40 313 |
M24x60 |
95.4 25 |
503 |
347 175 |
341 |
52 |
350 |
K127.. KA127B.. |
100H7 |
135 |
208 205 |
40 2.5 |
38 373 |
M24x60 |
106.4 28 |
592 |
418 203 |
390 |
53 |
450 |
K157.. KA157B.. |
120H7 |
155 |
253 250 |
40 |
36 460 |
M24x60 |
127.4 32 |
705 |
457 250 |
426 |
71.7 |
550 |
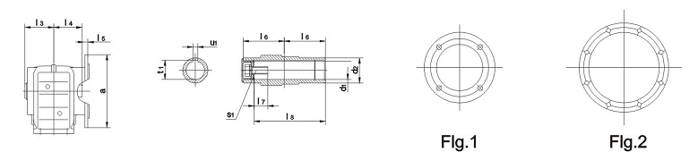
Фланцевое исполнение
KF37..~KF157..

KAF37..~KAF157..

Тип |
Фланец |
a b |
с е |
f g h |
Размер вала |
Размер полого вала |
H |
L1 L2 L3 |
L4 N Q |
d l |
l1 l2 |
S |
t u |
d1 d2 |
L3 L4 L5 |
L6 L7 L8 |
S1 |
t1 u1 |
KF37.. KАF37.. |
Flg.1 |
160 110j6 |
3.5 10 |
130 9 100 |
25k6 50 |
5 40 |
M10 |
28 8 |
30H7 45 |
63 60 24 |
60 17 105 |
M10x25 |
33.3 8 |
164 |
57.5 134 210 |
139 8.5 120 |
KF47.. KAF47.. |
Flg.1 |
200 130j6 |
3.5 10 |
165 11 112 |
30k6 60 |
3.5 50 |
M10 |
33 8 |
35H7 50 |
78 75 25 |
75 22 132 |
M12x30 |
38.3 10 |
185 |
72 160 243 |
166 7.2 160 |
KF57.. KAF57.. |
Flg.1 |
250 180j6 |
4 15 |
215 13.5 132 |
35k6 70 |
7 56 |
M12 |
38 10 |
40H7 55 |
86 83 23.5 |
83 29 142 |
M16x40 |
43.3 12 |
215 |
80 177 269 |
173 13.1 160 |
KF67.. KAF67.. |
Flg.1 |
250 180j6 |
4 15 |
215 13.5 140 |
40k6 80 |
5 70 |
M16 |
43 12 |
40H7 55 |
94 90 23 |
90 29 156 |
M16x40 |
43.3 12 |
226 |
86.5 193 274 |
179 20 160 |
KF77.. KAF77.. |
Flg.1 |
300 230j6 |
4 16 |
265 13.5 180 |
50k6 100 |
80 10 |
M16 |
53.5 14 |
50H7 70 |
108 105 37 |
105 32 183 |
M16x45 |
53.8 14 |
286 |
101 242 312 |
202 31.3 200 |
KF87.. KAF87.. |
Flg.1 |
350 250h6 |
5 18 |
300 17.5 212 |
60m6 120 |
5 110 |
M20 |
64 18 |
60H7 85 |
123 120 30 |
120 36 210 |
M20x50 |
64.4 18 |
338 |
138 270 390 |
257 25.9 250 |
KF97.. KAF97.. |
Flg.2 |
450 350h6 |
5 22 |
400 17.5 265 |
70m6 140 |
7.5 125 |
M20 |
74.5 20 |
70H7 95 |
153 150 41.5 |
150 34 270 |
M20x50 |
74.9 20 |
414 |
171 332 435 |
277 32.3 300 |
KF107.. KAF107.. |
Flg.2 |
450 350h6 |
5 25 |
400 17.5 315 |
90m6 170 |
5 160 |
M24 |
95 25 |
90H7 118 |
178 175 41 |
175 40 313 |
M20x60 |
95.4 25 |
500 |
175 386 537 |
341 52 350 |
KF127.. KAF127.. |
Flg.2 |
550 450h6 |
5 22 |
500 17.5 375-1 |
110m6 210 |
15 180 |
M24 |
116 28 |
100H7 135 |
208 205 51 |
205 38 373 |
M20x60 |
106.4 28 |
592 |
203 466 615 |
390 53 450 |
KF157.. KAF157.. |
Flg.2 |
660 550h6 |
6 28 |
600 22 450-1 |
120m6 210 |
5 200 |
M24 |
127 32 |
120H7 155 |
253 250 60 |
250 36 460 |
M20x60 |
127.4 32 |
705 |
253 520 706 |
705 71.7 550 |
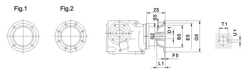
Габаритные размеры входного фланца IEC под стандартные электродвигатели

|
|
Fig |
B5 |
E5 |
F5 |
G2 |
G5 |
S5 |
Z5 |
D1 |
L1 |
T1 |
U1 |
K..37 |
AM63 |
1 |
95 |
115 |
3,5 |
120 |
140 |
М8 |
72 |
11 |
23 |
12,8 |
4 |
AM711) |
110 |
130 |
160 |
14 |
30 |
16,3 |
5 |
AM801) |
130 |
165 |
4,5 |
200 |
М10 |
106 |
19 |
40 |
21,8 |
6 |
AM901) |
24 |
50 |
27,3 |
8 |
К..47 |
AM63 |
1 |
95 |
115 |
3,5 |
160 |
140 |
М8 |
66 |
11 |
23 |
12,8 |
4 |
AM71 |
110 |
130 |
160 |
14 |
30 |
16,3 |
5 |
AM80 |
130 |
165 |
4,5 |
200 |
М10 |
99 |
19 |
40 |
21,8 |
6 |
AM90 |
24 |
50 |
27,3 |
8 |
AM1001) |
180 |
215 |
5 |
250 |
М12 |
134 |
28 |
60 |
31,3 |
8 |
AM1121) |
К..77 |
AM63 |
1 |
95 |
115 |
3.5 |
200 |
140 |
M8 |
60 |
11 |
23 |
12.8 |
4 |
AM71 |
110 |
130 |
160 |
14 |
30 |
16.3 |
5 |
AM80 |
130 |
165 |
4.5 |
200 |
M10 |
92 |
19 |
1\40 |
21.8 |
6 |
AM90 |
24 |
50 |
27.3 |
8 |
AM1001) |
180 |
215 |
5 |
250 |
M12 |
126 |
28 |
60 |
31.3 |
8 |
AM1121) |
AM132S1) AM132M1) |
230 |
265 |
5 |
300 |
179 |
38 |
80 |
41.3 |
10 |
AM132ML1) |
K..87 |
AM80 |
1 |
130 |
165 |
4.5 |
250 |
200 |
M10 |
87 |
19 |
40 |
21.8 |
6 |
AM90 |
24 |
50 |
27.3 |
8 |
AM100 |
180 |
215 |
5 |
250 |
M12 |
121 |
28 |
60 |
31.3 |
8 |
AM112 |
AM132S AM132M |
230 |
265 |
300 |
174 |
38 |
80 |
41.3 |
10 |
AM132ML |
AM1601) |
250 |
300 |
6 |
350 |
M16 |
232 |
42 |
110 |
45.3 |
6 |
AM1801) |
48 |
51.8 |
8 |
K..97 |
AM100 |
1 |
180 |
215 |
5 |
300 |
250 |
M12 |
116 |
28 |
60 |
31.3 |
1 |
AM112 |
AM132S AM132M |
230 |
265 |
300 |
169 |
38 |
80 |
41.3 |
10 |
AM132ML |
AM160 |
250 |
300 |
6 |
350 |
M16 |
227 |
42 |
110 |
45.3 |
12 |
AM180 |
48 |
51.8 |
14 |
AM2001) |
300 |
350 |
7 |
400 |
268 |
55 |
59.3 |
16 |
AM2251) |
2 |
350 |
400 |
450 |
283 |
60 |
140 |
64.4 |
18 |

|
|
Fig |
B5 |
E5 |
F5 |
G2 |
G5 |
S5 |
Z5 |
D1 |
L1 |
T1 |
U1 |
K..107 |
AM100 |
1 |
180 |
215 |
5 |
350 |
250 |
M12 |
110 |
28 |
60 |
31.3 |
8 |
AM112 |
AM132S |
230 |
265 |
300 |
163 |
38 |
80 |
41.3 |
10 |
AM132M |
AM132ML |
AM160 |
250 |
300 |
6 |
350 |
M16 |
221 |
42 |
110 |
45.3 |
12 |
AM180 |
48 |
51.8 |
14 |
AM200 |
300 |
350 |
7 |
400 |
262 |
55 |
59.3 |
16 |
AM225 |
2 |
350 |
400 |
450 |
277 |
60 |
140 |
64.4 |
18 |
K..127 |
AM132S |
1 |
230 |
265 |
5 |
450 |
300 |
M12 |
148 |
38 |
80 |
41.3 |
10 |
AM132M |
AM132ML |
AM160 |
250 |
300 |
6 |
350 |
M16 |
206 |
42 |
110 |
45.3 |
12 |
AM180 |
48 |
51.8 |
14 |
AM200 |
300 |
350 |
7 |
400 |
247 |
55 |
59.3 |
16 |
AM225 |
2 |
350 |
400 |
450 |
262 |
60 |
140 |
64.4 |
18 |
AM250 |
450 |
500 |
550 |
336 |
65 |
69.4 |
AM280 |
75 |
79.9 |
20 |
K..157 K..167 K..187 |
AM160 |
1 |
250 |
300 |
6 |
550 |
350 |
M16 |
198 |
42 |
110 |
45.3 |
12 |
AM180 |
48 |
51.8 |
14 |
AM200 |
300 |
350 |
7 |
400 |
239 |
55 |
59.3 |
16 |
AM225 |
2 |
350 |
400 |
450 |
254 |
60 |
140 |
64.4 |
18 |
AM250 |
450 |
500 |
550 |
328 |
65 |
69.4 |
AM280 |
75 |
79.9 |
20 |
Передаточные числа и максимальный крутящий момент
K37 200Nm |
i |
ne [1/min] |
Mamax [Nm] |
FRa[N] |
AD |
106.38 |
13 |
200 |
5640 |
AD1 |
97.81 |
14 |
200 |
5640 |
83.69 |
17 |
200 |
5640 |
72.54 |
19 |
200 |
5520 |
67.80 |
21 |
200 |
5360 |
58.60 |
24 |
200 |
5020 |
49.79 |
28 |
200 |
4660 |
44.46 |
31 |
200 |
4420 |
37.97 |
37 |
200 |
4100 |
35.57 |
39 |
200 |
3970 |
29.96 |
47 |
200 |
3650 |
AD2 |
28.83 |
49 |
200 |
3580 |
24.99 |
56 |
200 |
3330 |
23.36 |
60 |
195 |
3260 |
20.19 |
69 |
185 |
3110 |
17.15 |
82 |
180 |
2900 |
15.31 |
91 |
175 |
2780 |
13.08 |
107 |
165 |
2650 |
12.14 |
115 |
160 |
2600 |
10.49 |
133 |
160 |
2410 |
8.91 |
157 |
160 |
2200 |
7.96 |
176 |
155 |
2110 |
6.80 |
206 |
150 |
1980 |
6.37 |
220 |
145 |
1950 |
5.36 |
261 |
140 |
1810 |
K47 400Nm |
i |
ne [1/min] |
Mamax [Nm] |
FRa[N] |
AD |
131.87 |
11 |
400 |
5920 |
AD2 |
121.48 |
12 |
400 |
5920 |
104.37 |
13 |
400 |
5920 |
90.86 |
15 |
400 |
5920 |
85.12 |
16 |
400 |
5920 |
75.20 |
19 |
400 |
5920 |
69.84 |
20 |
400 |
5920 |
63.30 |
22 |
400 |
5920 |
56.83 |
25 |
400 |
5920 |
48.95 |
29 |
400 |
5920 |
46.03 |
30 |
400 |
5920 |
39.61 |
35 |
400 |
5920 |
35.39 |
40 |
400 |
5920 |
31.30 |
45 |
400 |
5700 |
29.32 |
48 |
400 |
5520 |
25.91 |
54 |
400 |
5170 |
24.06 |
58 |
400 |
4970 |
21.81 |
64 |
400 |
4710 |
19.58 |
72 |
400 |
4440 |
16.86 |
83 |
380 |
4230 |
15.86 |
88 |
380 |
4080 |
13.65 |
103 |
360 |
3890 |
12.19 |
115 |
350 |
3720 |
11.77 |
119 |
280 |
4060 |
10.56 |
133 |
280 |
3830 |
9.10 |
154 |
280 |
3540 |
8.56 |
164 |
270 |
3500 |
AD3 |
7.36 |
190 |
250 |
3390 |
6.58 |
213 |
240 |
3270 |
5.81 |
241 |
230 |
3140 |
K57 600Nm |
i |
ne [1/min] |
Mamax [Nm] |
FRa[N] |
AD |
145.14 |
9.6 |
600 |
7470 |
AD2 |
123.85 |
11 |
600 |
7470 |
108.29 |
13 |
600 |
7470 |
102.88 |
14 |
600 |
7470 |
90.26 |
16 |
600 |
7470 |
76.56 |
18 |
600 |
7470 |
69.12 |
20 |
600 |
7470 |
60.81 |
23 |
600 |
7470 |
57.42 |
24 |
600 |
7470 |
48.89 |
29 |
600 |
7470 |
44.43 |
32 |
600 |
7470 |
38.49 |
36 |
600 |
7470 |
35.70 |
39 |
600 |
7470 |
30.28 |
46 |
600 |
7310 |
27.34 |
51 |
600 |
6930 |
24.05 |
58 |
600 |
6480 |
22.71 |
62 |
600 |
6280 |
19.34 |
72 |
575 |
5910 |
17.57 |
80 |
555 |
5740 |
AD3 |
15.22 |
92 |
535 |
5430 |
13.22 |
106 |
510 |
5190 |
11.92 |
117 |
415 |
5150 |
11.26 |
124 |
415 |
4990 |
9.59 |
146 |
405 |
4650 |
8.71 |
161 |
390 |
4520 |
7.55 |
185 |
365 |
4360 |
6.57 |
213 |
345 |
4190 |
K67 820Nm |
i |
ne [1/min] |
Mamax [Nm] |
FRa[N] |
AD |
144.79 |
9.1 |
820 |
10300 |
AD2 |
123.54 |
11 |
820 |
10300 |
108.03 |
13 |
820 |
10300 |
102.62 |
14 |
820 |
10300 |
90.04 |
16 |
820 |
10300 |
76.37 |
18 |
820 |
10300 |
68.95 |
20 |
820 |
10300 |
60.66 |
23 |
820 |
10300 |
57.28 |
24 |
820 |
10300 |
48.77 |
29 |
820 |
10300 |
44.32 |
32 |
820 |
10300 |
38.39 |
36 |
820 |
10500 |
35.62 |
39 |
820 |
10300 |
30.22 |
46 |
820 |
10300 |
AD3 |
27.28 |
51 |
820 |
10300 |
24.00 |
58 |
800 |
10500 |
22.66 |
62 |
780 |
10700 |
19.30 |
73 |
760 |
10800 |
17.54 |
80 |
740 |
11000 |
15.19 |
92 |
700 |
11300 |
13.22 |
106 |
670 |
11500 |
12.48 |
112 |
530 |
12300 |
10.63 |
132 |
500 |
11800 |
9.66 |
145 |
480 |
11500 |
8.37 |
167 |
440 |
11100 |
7.28 |
192 |
420 |
10700 |
K77 1550Nm |
i |
ne [1/min] |
Mamax [Nm] |
FRa[N] |
AD |
192.18 |
7.3 |
1450 |
16100 |
AD2 |
179.37 |
7.8 |
1450 |
16100 |
154.02 |
9.1 |
1550 |
15400 |
135.28 |
10 |
1550 |
15400 |
128.52 |
11 |
1550 |
15400 |
113.56 |
12 |
1550 |
15400 |
97.05 |
14 |
1550 |
15400 |
88.97 |
16 |
1550 |
15400 |
78.07 |
18 |
1550 |
15400 |
73.99 |
19 |
1550 |
15400 |
64.75 |
22 |
1550 |
15400 |
58.34 |
24 |
1550 |
15400 |
51.18 |
27 |
1550 |
15400 |
45.16 |
31 |
1550 |
15400 |
40.04 |
35 |
1550 |
15400 |
AD3 |
38.39 |
36 |
1550 |
15700 |
35.20 |
40 |
1550 |
15400 |
30.89 |
45 |
1550 |
15400 |
29.27 |
48 |
1550 |
15400 |
AD4 |
25.62 |
55 |
1550 |
15400 |
23.08 |
61 |
1550 |
15400 |
20.25 |
69 |
1500 |
15700 |
17.87 |
78 |
1450 |
16100 |
15.84 |
88 |
1400 |
15500 |
13.52 |
104 |
1340 |
14800 |
12.36 |
113 |
1000 |
15100 |
10.84 |
129 |
990 |
14400 |
9.56 |
146 |
940 |
13900 |
8.48 |
165 |
890 |
13500 |
7.24 |
193 |
820 |
13100 |
K87 2700Nm |
i |
ne [1/min] |
Mamax [Nm] |
FRa[N] |
AD |
197.37 |
7.1 |
2700 |
27300 |
AD2 |
174.19 |
8.0 |
2700 |
27300 |
164.34 |
8.5 |
2700 |
27300 |
147.32 |
9.5 |
2700 |
27300 |
126.91 |
11 |
2700 |
27300 |
115.82 |
12 |
2700 |
27300 |
102.71 |
14 |
2700 |
27300 |
86.34 |
16 |
2700 |
27300 |
79.34 |
18 |
2700 |
27300 |
AD3 |
70.46 |
20 |
2700 |
27300 |
63.00 |
22 |
2700 |
26200 |
56.64 |
25 |
2700 |
25000 |
49.16 |
28 |
2700 |
23500 |
44.02 |
32 |
2600 |
22800 |
36.52 |
38 |
2500 |
21400 |
31.39 |
45 |
2700 |
19200 |
AD4 |
27.88 |
50 |
2600 |
18500 |
24.92 |
56 |
2500 |
18000 |
22.41 |
62 |
2300 |
17900 |
19.45 |
72 |
2300 |
16800 |
17.42 |
80 |
2200 |
16300 |
16.00 |
87 |
1800 |
16000 |
14.45 |
97 |
2100 |
15300 |
12.56 |
111 |
2000 |
14800 |
11.17 |
125 |
1500 |
14900 |
10.00 |
140 |
1500 |
14200 |
AD5 |
8.29 |
169 |
1400 |
13500 |
7.21 |
194 |
1300 |
13200 |
K97 4300Nm |
i |
ne [1/min] |
Mamax [Nm] |
FRa[N] |
AD |
176,05 |
8,0 |
4300 |
40000 |
AD3 |
153,21 |
9,1 |
4300 |
40000 |
140,28 |
10 |
4300 |
40000 |
123,93 |
11 |
4300 |
40000 |
105,13 |
13 |
4300 |
40000 |
96,80 |
14 |
4300 |
40000 |
86,52 |
16 |
4300 |
38800 |
77,89 |
18 |
4300 |
37100 |
7,54 |
20 |
4300 |
35600 |
62,55 |
22 |
4300 |
33800 |
AD4 |
56,55 |
25 |
4300 |
32300 |
47,93 |
29 |
4300 |
30000 |
41,87 |
33 |
4300 |
28300 |
38,30 |
37 |
4300 |
27100 |
AD5 |
34,23 |
41 |
4300 |
25700 |
30,82 |
45 |
4300 |
24500 |
27,91 |
50 |
4300 |
23300 |
24,75 |
57 |
4300 |
22000 |
22,37 |
63 |
4300 |
20900 |
18,96 |
74 |
4300 |
19100 |
16,56 |
85 |
4300 |
17800 |
13,85 |
101 |
4300 |
16100 |
AD6 |
11,99 |
117 |
3890 |
16200 |
10,41 |
134 |
2870 |
16400 |
AD5 |
8,71 |
161 |
2660 |
15800 |
AD6 |
K107 8000Nm |
i |
ne [1/min] |
Mamax [Nm] |
FRa[N] |
AD |
143,47 |
9,8 |
8000 |
65000 |
AD4 |
121,46 |
12 |
8000 |
61700 |
112,41 |
12 |
8000 |
59700 |
100,75 |
14 |
8000 |
57000 |
90,96 |
15 |
8000 |
54600 |
82,61 |
17 |
8000 |
52400 |
73,30 |
19 |
8000 |
49700 |
66,52 |
21 |
8000 |
47600 |
57,17 |
24 |
8000 |
44400 |
49,90 |
28 |
7840 |
42200 |
42,33 |
33 |
7360 |
40500 |
AD5 |
37,00 |
38 |
7200 |
38500 |
32,69 |
43 |
7200 |
36300 |
31,28 |
45 |
6800 |
36700 |
29,00 |
48 |
7200 |
34000 |
AD6 |
26,32 |
53 |
7200 |
32000 |
22,62 |
62 |
7200 |
28900 |
19,74 |
71 |
7200 |
26100 |
16,75 |
84 |
7050 |
23600 |
14,64 |
96 |
6890 |
21900 |
13,43 |
104 |
4300 |
29200 |
11,73 |
119 |
4300 |
27500 |
9,94 |
141 |
4190 |
25800 |
8,69 |
161 |
4070 |
24600 |
K127 13000Nm |
i |
ne [1/min] |
Mamax [Nm] |
FRa[N] |
AD |
146,07 |
9,6 |
13000 |
79200 |
AD4 |
136,14 |
10 |
13000 |
79200 |
122,48 |
11 |
13000 |
79200 |
110,18 |
13 |
13000 |
79200 |
89,89 |
16 |
13000 |
75100 |
AD5 |
81,98 |
27 |
13000 |
72100 |
70,95 |
20 |
13000 |
67700 |
62,60 |
22 |
13000 |
64000 |
54,07 |
26 |
13000 |
59900 |
47,82 |
29 |
13000 |
56500 |
40,19 |
35 |
13000 |
52000 |
AD6 |
36,25 |
39 |
13000 |
49400 |
AD7 |
31,37 |
45 |
13000 |
45900 |
27,68 |
51 |
13000 |
43000 |
23,91 |
59 |
13000 |
39800 |
21,15 |
66 |
13000 |
37200 |
AD8 |
17,77 |
79 |
13000 |
33600 |
14,35 |
98 |
12100 |
31800 |
12,79 |
109 |
8530 |
35400 |
10,74 |
130 |
8000 |
33900 |
8,68 |
161 |
7320 |
32500 |
K157 18000Nm |
i |
ne [1/min] |
Mamax [Nm] |
FRa[N] |
AD |
150,41 |
9,3 |
18000 |
112200 |
AD5 |
122,39 |
11 |
18000 |
106500 |
100,22 |
14 |
18000 |
98000 |
91,65 |
15 |
18000 |
94400 |
79,75 |
18 |
18000 |
88900 |
70,38 |
20 |
18000 |
84200 |
61,02 |
23 |
18000 |
79000 |
54,29 |
26 |
18000 |
74900 |
AD6 |
46,79 |
30 |
18000 |
70000 |
AD7 |
38,02 |
37 |
18000 |
63300 |
31,30 |
45 |
18000 |
57500 |
AD8 |
27,62 |
51 |
18000 |
54000 |
23,95 |
58 |
18000 |
50000 |
21,31 |
66 |
18000 |
47000 |
18,37 |
76 |
18000 |
43200 |
14,92 |
94 |
18000 |
38200 |
12,65 |
111 |
17000 |
36700 |
K167 32000Nm |
i |
ne [1/min] |
Mamax [Nm] |
FRa[N] |
AD |
164,50 |
8,5 |
32000 |
150000 |
AD5 |
134,99 |
10 |
32000 |
150000 |
AD6 |
109,83 |
13 |
32000 |
150000 |
87,86 |
16 |
32000 |
147200 |
AD7 |
78,14 |
18 |
32000 |
140100 |
68,07 |
21 |
32000 |
132000 |
60,74 |
23 |
32000 |
125600 |
51,77 |
27 |
32000 |
117000 |
AD8 |
42,89 |
33 |
32000 |
107400 |
36,61 |
38 |
32000 |
99700 |
32,25 |
43 |
32000 |
93700 |
28,77 |
49 |
32000 |
88600 |
24,52 |
57 |
32000 |
81700 |
20,32 |
69 |
32000 |
74000 |
14,34 |
81 |
32000 |
67900 |
K187 50000Nm |
i |
ne [1/min] |
Mamax [Nm] |
FRa[N] |
AD |
179,86 |
7,8 |
50000 |
190000 |
AD6 |
165,21 |
8,5 |
50000 |
190000 |
144,59 |
9,7 |
50000 |
190000 |
129,69 |
11 |
50000 |
188200 |
AD7 |
112,60 |
12 |
50000 |
177200 |
102,16 |
14 |
50000 |
169900 |
88,00 |
16 |
50000 |
159000 |
AD8 |
73,96 |
19 |
50000 |
147000 |
64,04 |
22 |
50000 |
137500 |
53,36 |
26 |
50000 |
126100 |
45,50 |
31 |
50000 |
116600 |
42,51 |
33 |
50000 |
112700 |
38,57 |
36 |
50000 |
107200 |
33,23 |
42 |
50000 |
99100 |
27,92 |
50 |
50000 |
90200 |
24,18 |
58 |
47600 |
86800 |
20,15 |
69 |
43900 |
84000 |
17,18 |
81 |
41400 |
80800 |
Монтажная позиция
Возможные значения параметров |
K |
37 |
3 |
2 |
0,12 |
не обозначается |
M1 |
KB |
47 |
. |
. |
0,18 |
(MY) |
M2 |
KA |
57 |
. |
. |
0,25 |
(MSEJ) |
M3 |
KH |
67 |
. |
. |
0,37 |
(BMA) |
M4 |
KF |
77 |
300 |
560 |
0,55 |
(АИР) |
М5 |
KAF |
87 |
|
|
0,75 |
(АИМ ) |
М6 |
KAF |
97 |
|
|
1,1 |
(4ВР) |
|
KHF |
107 |
|
|
1,5 |
|
|
KVF |
127 |
|
|
2,2 |
|
|
KA |
157 |
|
|
3 |
|
|
KH |
167 |
|
|
4 |
|
|
KV |
187 |
|
|
5,5 |
|
|
KAZ |
|
|
|
7,5 |
|
|
KVZ |
|
|
|
11 |
|
|
|
|
|
|
15 |
|
|
|
|
|
|
22 |
|
|
|
|
|
|
30 |
|
|
|
|
|
|
37 |
|
|
|
|
|
|
45 |
|
|
|
|
|
|
55 |
|
|
|
|
|
|
75 |
|
|
|
|
|
|
90 |
|
|
|
|
|
|
110 |
|
|
|
|
|
|
132 |
|
|
|
|
|
|
160 |
|
|
|
|
|
|
200 |
|
|


K/KA..B/KH37B-157B, KV37B-107B



Максимальный крутящий момент
Типоразмер |
KB37 |
KB47 |
KB57 |
KB67 |
KB77 |
KB87 |
KB97 |
KB107 |
KB127 |
KB157 |
KB167 |
KB187 |
Крутящий момент, Нм |
200 |
400 |
600 |
800 |
1 500 |
2 600 |
4 000 |
8 000 |
13 000 |
18 000 |
30 000 |
50 000 |
|
Приводная техника (мотор-редукторы, преобразователи частоты и устройства плавного пуска) отправляется покупателю транспортной компанией. По всем вопросам обращаться в офис.
Мы всегда рады видеть у себя наших старых партнеров и ждем новых.
Доставка во все регионы России!
|
 |
 |
|
|