Двухступенчатые цилиндрические редукторы типов 1Ц2У-100, 1Ц2У-125, 1Ц2У-160, 1Ц2У-200, 1Ц2У-250

Описание:
Цилиндрический горизонтальный двухступенчатый редуктор 1Ц2У-100, 1Ц2У-125, 1Ц2У-160, 1Ц2У-200, 1Ц2У-250 общемашиностроительного применения и межосевым расстоянием второй ступени 100мм, 125мм, 160мм, 200мм, 250мм соответственно, предназначенный для изменения крутящего момента за счёт изменения частоты вращения в пределах передаточных чисел 8...40.
Редуктор 1Ц2У-100
Редуктор – вид специального оборудования, предназначенный для увеличения крутящего момента, изменения частоты вращения рабочего вала и передачи энергии от одного элемента системы к другому. Модель 1Ц2У-100 представляет собой горизонтально ориентированный цилиндрический двухступенчатый редуктор универсального назначения.
Использование редуктора модели 1Ц2У-100 имеет следующие особенности:
- Вал может крутиться в любую сторону. Работа как постоянная, так и периодическая с остановками.
- Широкий вид допустимой нагрузки: постоянная или переменная, любого направления воздействия.
- Частота вращения – до 1800 оборотов за 60 секунд.
- Разрешенные условия эксплуатации: атмосфера I или II типов по ГОСТ-15150-69 с уровнем запыленности менее 10 мг на метр кубический.
Для того чтобы полностью отразить все характеристики и параметры, которыми должен обладать заказываемый редуктор, следует указывать полную маркировку, в которую уже включены необходимые данные.
Например, 1Ц2У-100 - 10 - 12Ц - У1 говорит о типе редуктора(1Ц2), межосевом расстоянии(100мм), числе передач(10), варианте сборки(12), форме выходного вала (Ц – цилиндрический) и климатическом исполнении (У1).
Редуктор 1Ц2У-125
Модель 1Ц2У-125 – редуктор цилиндрический с горизонтальной ориентацией и двумя ступенями передачи. Как и другие виды редукторов 1Ц2У-125 служит для передачи вращательного движения от вала двигателя к рабочему валу агрегата, приводимого в действие. Помимо передачи энергии, редуктор выполняет функцию преобразования передаваемых крутящего момента (увеличивает) и частоты вращения механизмов (снижает).
Полная маркировка, используемая для обозначения редуктора модели 1Ц2У-125, имеет следующий вид:
1Ц2У-125 - 10 - 12Ц - У1, где
1Ц2У – тип редуктора
125 – расстоянии с миллиметрах между осями
10 – число передач
12Ц – вариант сборки и цилиндрическая форма выходного вала
У1 – климатические условия, допустимые для использования, и категория размещения.
Редуктор модели 1Ц2У-125 используется в условиях постоянной и изменяемой нагрузки с любым направлением воздействия. Режим работы предусматривает как постоянный, так и периодический характер использования.
Вращение всех валов производится в обе стороны, максимально предусмотренная частота - 1800 вращений в минуту. Промышленно выпускается в нескольких вариантах климатического исполнения, что дает возможность использовать данный тип оборудования в разных погодных условиях с различным вариантом размещения.
Редуктор 1Ц2У-160
Модель 1Ц2У-160 представляет собой редуктор горизонтально ориентированный цилиндрического типа с двумя ступенями передач. Межосевое расстояние составляет 160мм. Используется для передачи и изменения крутящих моментов, а также изменения частоты вращения предусмотренных конструкцией валов.
Благодаря своей универсальности, нашел применение в машинах и агрегатах самого разного назначения. Наиболее широко используется для производства мотор-редуктора типа 1МЦ2У-160.
Особенности применения редуктора модели 1Ц2У-160:
- Рассчитан на нагрузки любого типа: постоянные, переменные, с переменным направление воздействия;
- Режим работы предусматривает как использование постоянное, так и периодическое с перерывами на остановки;
- Все валы и механизмы крутятся в обе стороны, частота вращения – не более 1800 оборотов за минуту;
- Различные климатические исполнения и категории размещения позволяют подобрать модификацию для использования в любых условиях;
- Допустимая запыленность воздуха в рабочей зоне – не более 10 мг на куб.метр.
Редуктор 1Ц2У-200
В общем случае редуктором называется механизм, предназначенный для сообщения энергии вращения от ведущего вала электрического двигателя к рабочему валу машины. Помимо сообщения движения, редуктор выполняет еще и функцию преобразования значений крутящего момента и частоты вращения. Редуктор повышает передаваемый крутящий момент и снижает количество оборотов вала. Если механизм имеет обратную задачу, то он называется мультипликатором или ускорителем. Решение поставленных задач достигается путем применения комплекса передач разного типа: зубчатых, ременных, цепных и прочих.
Модель 1Ц2У-200 имеет несколько вариантов обозначения: 1ц2у-200: ц2у, 1ц2у, ц2у200, 1ц2у200, редуктор 1ц2у-200 (ц2у-200). Все они служат названием одному типу устройства, которое представляет собой горизонтально ориентированный редуктор цилиндрического типа с двумя ступенями передач. В качестве рабочего элемента в редукторе данного типа используются передачи зубчатого или червячного вида.
Передачи могут, как входить в состав редуктора, так и присутствовать в открытом виде. Редуктор 1Ц2У-200 может быть выполнен специально для решения определенной задачи в конкретной машине, а может выпускаться в различных вариациях без указания назначения.
Варианты выполнения различаются между собой по следующим параметрам:
1. Типу передачи – в данной модели используются передачи зубчатые, червячные или комбинированного типа;
2. Количеству ступеней;
3. Виду зубчатых колес. Могут быть цилиндрическими, коническими или смешанного типа;
4. Способу расположения валов – горизонтальное или вертикальное;
5. Конструктивным особенностям – схема может быть развернутой, с раздвоенной ступенью, соосной.
Если габариты механизмов не позволяют применять цилиндрические редукторы с большим числом передач, то их функции с успехом выполняют волновые и планетарные типу редукторов.
Полная маркировка редуктора модели 1Ц2У-200 включает в себя такие сведения как:
- Тип редуктора и количество его ступеней – Ц2
- Межосевое расстояние в миллиметрах – 200
- Передаточное число – 10
- Вариант сборки -12
- Вид конца выходного вала – Ц(цилиндрический) или М(в виде муфты)
- Климатическое исполнение – У или Т и категория размещения – 1-4.
Примером правильного оформления заказа может служить маркировка такого типа: 1Ц2У-200 -10-12Ц-У1
Условия эксплуатации имеют следующие особенности:
- Нагрузка может быть любого типа: постоянной или переменной, направленной в одном направлении или периодически изменять направление воздействия.
- Валы редуктора могут вращаться в разные стороны без каких-либо предпочтений
- Максимальное количество оборотов вала в минуту – 1800
- Возможность использования в различных климатических условиях в зависимости от типа климатического исполнения
- Запыленность атмосферы не должна превышать 10 мг непроводящей пыли на метр кубический
Редуктор 1Ц2У-250
Редуктором называется механизм, предназначенный для сообщения энергии вращения от ведущего вала электрического двигателя к рабочему валу машины. Помимо сообщения движения, редуктор выполняет еще и функцию преобразования значений крутящего момента и частоты вращения. Редуктор повышает передаваемый крутящий момент и снижает количество оборотов вала. Если механизм имеет обратную задачу, то он называется мультипликатором или ускорителем. Решение поставленных задач достигается путем применения комплекса передач разного типа: зубчатых, ременных, цепных и прочих.
Модель 1Ц2У-200 имеет несколько вариантов обозначения: 1ц2у-250: ц2у, 1ц2у, ц2у250, 1ц2у250, редуктор 1ц2у-250 (ц2у-250). Все они служат названием одному типу устройства, которое представляет собой горизонтально ориентированный редуктор цилиндрического типа с двумя ступенями передач. В качестве рабочего элемента в редукторе данного типа используются передачи зубчатого или червячного вида.
Передачи могут, как входить в состав редуктора, так и присутствовать в открытом виде. Редуктор 1Ц2У-250 может быть выполнен специально для решения определенной задачи в конкретной машине, а может выпускаться в различных вариациях без указания назначения.
Варианты выполнения различаются между собой по следующим параметрам:
1. Типу передачи – в данной модели используются передачи зубчатые, червячные или комбинированного типа;
2. Количеству ступеней;
3. Виду зубчатых колес. Могут быть цилиндрическими, коническими или смешанного типа;
4. Способу расположения валов – горизонтальное или вертикальное;
5. Конструктивным особенностям – схема может быть развернутой, с раздвоенной ступенью, соосной.
Если габариты механизмов не позволяют применять цилиндрические редукторы с большим числом передач, то их функции с успехом выполняют волновые и планетарные типу редукторов.
Полная маркировка редуктора модели 1Ц2У-250 включает в себя такие сведения как:
- Тип редуктора и количество его ступеней – Ц2
- Межосевое расстояние в миллиметрах – 250
- Передаточное число – 10
- Вариант сборки -12
- Вид конца выходного вала – Ц(цилиндрический) или М(в виде муфты)
- Климатическое исполнение – У или Т и категория размещения – 1-4.
Примером правильного оформления заказа может служить маркировка такого типа: 1Ц2У-250 -10-12Ц-У1
Условия эксплуатации имеют следующие особенности:
- Нагрузка может быть любого типа: постоянной или переменной, направленной в одном направлении или периодически изменять направление воздействия.
- Валы редуктора могут вращаться в разные стороны без каких-либо предпочтений
- Максимальное количество оборотов вала в минуту – 1800
- Возможность использования в различных климатических условиях в зависимости от типа климатического исполнения
- Запыленность атмосферы не должна превышать 10 мг непроводящей пыли на метр кубический
При количестве передач 8, 10 и 12.5 для редукторов 1Ц2У-200 с цилиндрическим концом выходного вала при небольших нагрузках значение передаваемых крутящих моментов должны быть ниже номинальных на 20%. Номинальная нагрузка на выходной вал для редукторов 13, 23 и 33 вариантов сборки уменьшается в два раза. При реверсивном режиме работы крутящие моменты снижаются по сравнению с заявленными на 30%.
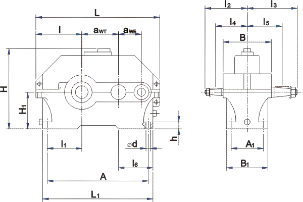
Габаритные и присоединительные размеры:


Типоразмер редуктора |
Межосевые расстояния |
L |
L1 |
l |
l1 |
l2 |
l3 |
l4 |
l5 |
l6 |
H не более |
awвых |
awвх |
не более |
- |
- |
- |
- |
- |
- |
- |
1Ц2У-100 |
100 |
80 |
387 |
325 |
136 |
85 |
136 |
165 |
103 |
115 |
- |
230 |
1Ц2У-125 |
125 |
80 |
450 |
375 |
160 |
106 |
145 |
206 |
112 |
136 |
- |
272 |
1Ц2У-160 |
160 |
100 |
560 |
475 |
200 |
136 |
170 |
224 |
132 |
155 |
145 |
345 |
1Ц2У-200 |
200 |
125 |
690 |
580 |
243 |
165 |
212 |
280 |
160 |
190 |
186 |
425 |
1Ц2У-250 |
250 |
160 |
825 |
730 |
290 |
212 |
265 |
335 |
195 |
230 |
224 |
530 |
|
h |
- |
Типоразмер редуктора |
H1 |
c чугун. корп. |
с алюм. корп. |
А |
A1 |
В |
B1 |
d |
1Ц2У-100 |
112 |
— |
20±3 |
290 |
109 |
155 |
145 |
15 |
1Ц2У-125 |
132 |
— |
22±3 |
335 |
125 |
175 |
165 |
19 |
1Ц2У-160 |
170 |
24±4 |
28±4 |
425 |
140 |
206 |
195 |
24 |
1Ц2У-200 |
212 |
30±4 |
— |
515 |
165 |
243 |
230 |
24 |
1Ц2У-250 |
265 |
32±5 |
— |
670 |
218 |
290 |
280 |
28 |
ТЕХНИЧЕСКИЕ ХАРАКТЕРИСТИКИ 1Ц2У-100, 1Ц2У-125, 1Ц2У-160, 1Ц2У-200, 1Ц2У-250
Наименование показателя |
Типоразмер редуктора |
1Ц2У-100 |
1Ц2У-125 |
1Ц2У-160 |
1Ц2У-200 |
1Ц2У-250 |
Передаточные числа |
Группа 1 |
10; 20; 31,5; 40 |
Группа 2 |
8;12,5; 16; 25 |
Фактические передаточные числа |
Группа 1 |
10,32;20,64; 32,55; 40,32 |
10; 20; 31,5;38,37 |
10,32; 20,64; 32,55; 40,32 |
9,76; 20,02; 31,47; 38,98 |
9,94; 20,67; 31,47; 38,4 |
Группа 2 |
8; 12,8; 16; 25,6 |
7,75; 12,18; 15,48; 24,36 |
8; 12,6; 16,0; 25,2 |
8,09; 12,08; 16,6; 24,83 |
8,33; 12,12; 16; 24,54 |
Номинальный крутящий момент на выходном валу при длительной работе с постоянной нагрузкой Н*м |
непрерывный (Н) ПВ=100% |
315 |
630 |
1250 |
2500 |
5000 |
Допускаемый крутящий момент на выходном валу при работе редуктора на повторно-кратковременных режимах. Н*м |
тяжелый (Т) ПВ=40% |
315 |
630 |
1600 |
3150 |
6300 |
средний (С) ПВ=25% |
2000 |
4000 |
8000 |
легкий (Л) ПВ=15% |
2500 |
5000 |
10000 |
Допускаемая радиальная консольная нагрузка. приложенная в середине посадочной части, Н |
входного вала |
непрерывный (Н) ПВ=100% |
500 |
750 |
1000 |
2240 |
3150 |
тяжелый (Т) ПВ=40% |
1150 |
2500 |
3550 |
средний (С) ПВ=25% |
1280 |
2800 |
4000 |
легкий (Л) ПВ=15% |
1450 |
3150 |
4500 |
выходного вала |
непрерывный (Н) ПВ=100% |
4500 |
6300 |
9000 |
12500 |
18000 |
тяжелый (Т) ПВ=40% |
10000 |
14000 |
20000 |
средний (С) ПВ=25% |
11200 |
16000 |
22400 |
легкий (Л) ПВ=15% |
12500 |
18000 |
25000 |
Термическая мощность, кВт |
не лимитирует |
Коэффициент полезного действия, не менее, % |
97 |
Масса редуктора, не более, кг |
с чугунным корпусом |
— |
- |
95 |
170 |
310 |
с алюминиевым корп. |
21 |
31,5 |
57 |
- |
- |
Примечание: Редукторы должны изготавливаться по вариантам сборки по ГОСТ 20373-80 согласно таблице по 2 группам
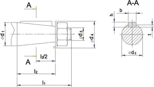
Типоразмер |
Вал |
d1 |
d2 |
d3 |
d4
не более |
l1 |
l2 |
b |
h |
t |
1Ц2У-100
1Ц2У-125 |
быстроходный |
20 |
18,2 |
М12х1,5 |
40 |
50 |
36 |
4 |
4 |
2,5 |
1Ц2У-160
1Ц2У-200
1Ц2У-250 |
25
30
40 |
22,9
27,1
35,9 |
М16х1,5
М20х1,5
М24х2,0 |
45
50
63 |
60
80
110 |
42
58
82 |
5
10 |
5
8 |
3,0
5,0 |
1Ц2У-100
1Ц2У-125
1Ц2У-160
1Ц2У-200
1Ц2У-250 |
тихоходный |
35
45
55
70
90 |
32,10
40,90
50,90
64,75
83,50 |
M20x1,5
М30х2,0
М36х3,0
М48х3,0
М64х4,0 |
50
75
88
100
130 |
80
110
110
140
170 |
58
82
82
105
130 |
6
12
14
18
22 |
6
8
9
11
14 |
3,5
5,0
5,5
7,0
9,0 |
Приводная техника (мотор-редукторы, преобразователи частоты и устройства плавного пуска) отправляется покупателю транспортной компанией. По всем вопросам обращаться в офис.