 |
Редукторы червячные Ч-100, Ч-125, Ч-160

Редукторы червячные одноступенчатые серии Ч-100, Ч-125, Ч-160 предназначен для изменения крутящего момента и частоты вращения. Широко применяются во всех отраслях промышленности и сельского-хозяйства. Гарантия работы в микроклиматических районах с сухим и влажным тропическим климатом (исполнение Т) категорий размещения 1, 2, 3, 4 по ГОСТ 15150-69 и с умеренным климатом (исполнение У).
УСЛОВИЯ ПРИМЕНЕНИЯ РЕДУКТОРОВ СЕРИИ Ч-100, Ч-125, Ч-160:
-
нагрузка постоянная и переменная одного направления и реверсивная;
-
работа постоянная и с периодическими остановками;
-
температура внешней среды — от минус 40 до плюс 50°С;
-
вращение валов в любую сторону;
-
внешняя среда — неагрессивная, невзрывоопасная.




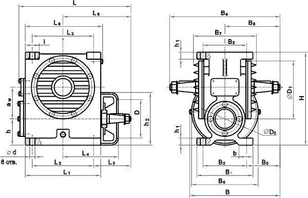
РИС1.
Габаритные и присоединительные размеры Ч100, Ч125, Ч160
| Обознач. размеров |
Тип редуктора |
Обознач. размеров |
Тип редуктора |
| Ч-100 |
Ч-125 |
Ч-160 |
Ч-100 |
Ч-125 |
Ч-160 |
| aw |
100 |
125 |
160 |
h1 |
18 |
22 |
30 |
| L |
373 |
437 |
551 |
h2 |
179 |
217 |
271 |
| L1 |
240 |
275 |
350 |
D |
140 |
165 |
100 |
| L2 |
200 |
230 |
300 |
D1 |
220 |
275 |
340 |
| L3 |
125 |
146 |
195 |
D2 |
150 |
170 |
210 |
| L4 |
177 |
210 |
245 |
B |
341 |
363 |
434 |
| L5 |
225 |
261 |
345 |
B1 |
175 |
230 |
280 |
| L6 |
257 |
290 |
373 |
B2 |
140 |
190 |
230 |
| 1 |
40 |
45 |
70 |
В3 |
155 |
135 |
165 |
| d |
19 |
19 |
22 |
В4 |
450 |
460 |
560 |
| b |
45 |
60 |
70 |
B5 |
225 |
230 |
280 |
| Н |
312 |
396 |
500 |
В6 |
218 |
246 |
286 |
| h |
100 |
111 |
140 |
В7 |
217 |
242 |
278 |
| Тип |
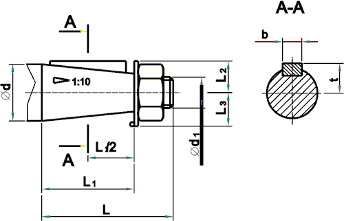
Выходные концы валов |
L |
L 1 |
L2 |
L3 |
b |
d |
d1 |
t |
m |
| Ч-100 |
конические |
Вал быстроходный |
80 |
58 |
24 |
18 |
6 |
32 |
M20xl,5-8g |
17,05 |
- |
| Ч-125 |
80 |
58 |
24 |
18 |
6 |
32 |
M20xl,5-8g |
17,05 |
- |
| Ч-160 |
110 |
82 |
28 |
20 |
10 |
40 |
M24x2- 8g |
20,95 |
- |
| Ч-100 |
Вал тихоходный |
110 |
82 |
32 |
25 |
12 |
45 |
М30х2- 8g |
23,45 |
- |
| Ч-125 |
110 |
82 |
38 |
30 |
14 |
55 |
МЗбх3 -8g |
28,95 |
- |
| Ч-160 |
140 |
105 |
50 |
40 |
18 |
70 |
М48х3- 8g |
36,38 |
- |
| Ч-100 |
цилиндрические |
Вал быстроходный |
80 |
- |
- |
- |
10 |
32 |
- |
35 |
- |
| Ч-125 |
80 |
- |
- |
- |
10 |
32 |
- |
35 |
- |
| Ч-160 |
110 |
- |
- |
- |
12 |
40 |
- |
43 |
- |
| Ч-100 |
Вал тихоходный |
110 |
- |
- |
- |
14 |
45 |
- |
48,5 |
- |
| Ч-125 |
110 |
- |
- |
- |
16 |
55 |
- |
59 |
- |
| Ч-160 |
140 |
- |
- |
- |
20 |
70 |
- |
74,5 |
- |
| Ч-100 |
Вал полый шлицевой |
205 |
90 |
57.5 |
- |
- |
45 |
46 |
|
2 |
| Ч-125 |
230 |
110 |
60 |
- |
- |
55 |
60 |
|
2,5 |
| Ч-160 |
275 |
130 |
72.5 |
- |
- |
70 |
72 |
|
2,5 |
Таблица №1.
Габаритные и присоединительные размеры червячных редкторов Ч100, Ч125, Ч160

РИС2.
Вариант сборки редукторов и расположения червячной пары Ч-80, Ч-100, Ч-125, Ч-160
ТЕХНИЧЕСКИЕ ХАРАКТЕРИСТИКИ Ч-80, Ч-100, Ч-125, Ч-160
| U ном. |
Ч-100 |
Ч-125 |
Ч-160 |
| U фак. |
1500мин.-1 |
1000мин.-1 |
750мин.-1 |
U фак. |
1500мин.-1 |
1000мин.-1 |
750мин.-1 |
U фак. |
1500мин -1 |
1000мин.-1 |
750мин.-1 |
| Мт Н.м |
? |
Мт Н.м |
? |
Мт Н.м |
? |
Мт Н.м |
? |
Мт Н.м |
? |
Мт Н.м |
? |
Мт Н.м |
? |
Мт Н.м |
? |
Мт Н.м |
? |
8 |
7,75 |
380 |
0,93 |
426 |
0,92 |
477 |
0,91 |
8 |
659 |
0,93 |
758 |
0,92 |
826 |
0,91 |
8 |
1250 |
0,94 |
1400 |
0,93 |
1567 |
0,92 |
10 |
10 |
367 |
0,93 |
410 |
0,91 |
460 |
0,90 |
10 |
636 |
0,93 |
712 |
0,92 |
800 |
0,91 |
10,5 |
1153 |
0,93 |
1294 |
0,92 |
1450 |
0,91 |
12,5 |
12 |
374 |
0,92 |
420 |
0,90 |
470 |
0,89 |
13 |
626 |
0,92 |
700 |
0,91 |
785 |
0,89 |
13 |
1150 |
0,93 |
1290 |
0,91 |
1440 |
0,90 |
16 |
15,5 |
392 |
0,89 |
440 |
0,87 |
492 |
0,85 |
16 |
676 |
0,89 |
757 |
0,87 |
850 |
0,86 |
16 |
1390 |
0,91 |
1557 |
0,89 |
1743 |
0,88 |
20 |
20 |
389 |
0,87 |
414 |
0,85 |
464 |
0,83 |
20 |
653 |
0,88 |
730 |
0,86 |
820 |
0,84 |
21 |
1150 |
0,88 |
1290 |
0,86 |
1442 |
0,84 |
25 |
24 |
372 |
0,87 |
417 |
0,84 |
466 |
0,83 |
25 |
616 |
0,87 |
690 |
0,84 |
772 |
0,82 |
26 |
1110 |
0,87 |
1243 |
0,85 |
1392 |
0,83 |
31,5 |
31 |
400 |
0,70 |
448 |
0,66 |
500 |
0,63 |
32 |
800 |
0,81 |
890 |
0,78 |
1000 |
0,75 |
32 |
1600 |
0,83 |
1790 |
0,82 |
2000 |
0,79 |
40 |
40 |
387 |
0,78 |
433 |
0,74 |
485 |
0,71 |
40 |
692 |
0,79 |
715 |
0,76 |
870 |
0,73 |
42 |
1244 |
0,79 |
1360 |
0,76 |
1522 |
0,73 |
50 |
48 |
389 |
0,77 |
436 |
0,73 |
488 |
0,71 |
52 |
640 |
0,77 |
717 |
0,73 |
803 |
0,70 |
52 |
1168 |
0,73 |
1310 |
0,74 |
1465 |
0,71 |
63 |
64 |
313 |
0,69 |
350 |
0,64 |
396 |
0,60 |
60 |
610 |
0,76 |
683 |
0,71 |
765 |
0,68 |
66 |
1033 |
0,74 |
1157 |
0,70 |
1295 |
0,66 |
80 |
84 |
292 |
0,69 |
327 |
0,61 |
366 |
0,58 |
84 |
525 |
0,69 |
590 |
0,63 |
660 |
0,60 |
78 |
1092 |
0,74 |
1223 |
0,69 |
1370 |
0,64 |
| Консольная нагрузка |
Рб; Н |
800 |
1200 |
1600 |
Рт; Н |
5500 |
8000 |
11000 |
| Уровень звука |
ДБА |
80 |
80 |
80 |
| Масса |
кг |
57 (44) |
88 |
157 |
где: Uном; Uфак.- номинальное и фактическое передаточное число; 1500мин-1; 1000мин-1; 750мин-1-частота вращения быстроходного вала; Мт – наибольший допускаемый крутящий момент, Н·м; ? – коэффициент полезного действия; Рб – консольная нагрузка на середину шейки быстроходного конца вала, Н; Рт – консольная нагрузка на середину шейки тихоходного конца вала, Н; в скобках- масса редуктора с алюминиевым корпусом.
ПРИМЕР УСЛОВНОГО ОБОЗНАЧЕНИЯ ПРИ ЗАКАЗЕ:
Редуктор Ч-100-40-51-У3-В - где:
- Ч — тип редуктора;
- 100 — межосевое расстояние, мм.;
- 40 — номинально передаточное число;
- 51 — вариант исполнения сборки;
- У3 — климатическое исполнение и категория размещения;
- В — поставка редуктора с вентилятором (для режима работы — 1)
Примечание: Редукторы червячные Ч-80, Ч-100, Ч-125, Ч-160 укомплектованы коническими входными и выходными валами. Цилиндрическое исполнение входного или выходного вала оговариваются при заказе.
Приводная техника (мотор-редукторы, преобразователи частоты и устройства плавного пуска) отправляется покупателю транспортной компанией. По всем вопросам обращаться в офис.
Мы всегда рады видеть у себя наших старых партнеров и ждем новых.
Доставка во все регионы России!
|
 |