 |
 |
|
 |
 |
Приводная техника

Вся продукция сертифицирована. Мы будем рады видеть Вас клиентом нашей компании.

|
|
 |
 |
 |
Редукторы цилиндрические двухступенчатые горизонтальные РМ-250; РМ-350; PM-400; РМ-500; Р650; РМ-750; РМ-850; PM-1000 |
|
 |
 |
Редукторы цилиндрические двухступенчатые РМ-250; РМ-350; PM-400; РМ-500; Р650; РМ-750; РМ-850; PM-1000

Описание:
Редукторы РМ цилиндрические двухступенчатые горизонтальные общемашиностроительного применения типов РМ-250; РМ-350; PM-400; РМ-500; Р650; РМ-750; РМ-850; PM-1000 предназначены для увеличения крутящего момента и уменьшения частоты вращения.
Условия эксплуатации имеют следующие особенности:
нагрузка постоянная и переменная, одного направления и реверсивная;
работа длительная или с периодическими остановками, вращение валов в любую сторону;
частота вращения входного вала редукторов РМ не должна превышать 1500 об/мин.;
температура внешней среды от минус 40°C до плюс 50°С;
повышенная запыленность, неагрессивная среда;
редуктор РМ может иметь различное климатическое исполнение: У, Т ( для категории размещения 1...4 ) по ГОСТ 15150-69.
Варианты сборки редукторов типа РМ:

Габаритные и присоединительные размеры РМ-250, РМ-350, РМ-400, РМ-500:

Тип |
aw |
aw2 |
L |
L1 |
L2 |
l |
l1 |
l2 |
l3 |
l4 |
l5 |
РМ-250 |
250 |
150 |
540 |
200 |
238,5 |
320 |
235 |
45 |
50 |
189 |
249 |
РМ-350 |
350 |
200 |
710 |
260 |
268,5 |
415 |
310 |
5P |
60 |
238 |
280 |
PM-400 |
400 |
250 |
816 |
270 |
325,5 |
440 |
370 |
80 |
75 |
288 |
367 |
PM-500 |
500 |
300 |
986 |
330 |
330 |
620 |
480 |
110 |
87 |
338 |
420 |
Тип |
B |
B1 |
B2 |
H |
H1 |
h |
d |
Масса, кг |
РМ-250 |
230 |
190 |
230 |
312 |
160 |
22 |
17 |
85 |
РМ-350 |
270 |
250 |
290 |
400 |
200 |
23 |
17 |
145 |
PM-400 |
300 |
270 |
310 |
490 |
250 |
25 |
17 |
210 |
PM-500 |
350 |
310 |
350 |
592 |
300 |
25 |
17 |
390 |
Габаритные и присоединительные размеры РМ-650, РМ-750, РМ-850, РМ-1000:

Тип |
aw |
aw2 |
L |
l1 |
L2 |
l |
l1 |
l2 |
l3 |
l4 |
l5 |
РМ-650 |
650 |
400 |
1278 |
430 |
430 |
830 |
490 |
215 |
155 |
445 |
460 |
РМ-750 |
750 |
450 |
1448 |
450 |
475 |
1025 |
620 |
275 |
230 |
491 |
525 |
РМ-850 |
850 |
500 |
1632 |
510 |
550 |
1100 |
610 |
300 |
205 |
546 |
530 |
РМ-1000 |
1000 |
600 |
1896 |
550 |
695,5 |
1350 |
870 |
350 |
250 |
639 |
645 |
Тип |
B |
B1 |
B2 |
B3 |
H |
H1 |
H2 |
h |
d |
Масса, кг |
РМ-650 |
470 |
410 |
470 |
318 |
697 |
320 |
95 |
35 |
25 |
878 |
РМ-750 |
510 |
450 |
510 |
356 |
743 |
320 |
130 |
35 |
25 |
1030 |
РМ-850 |
580 |
520 |
580 |
408 |
875 |
400 |
105 |
35 |
32 |
1230 |
РМ-1000 |
660 |
590 |
660 |
472 |
965 |
400 |
200 |
40 |
32 |
2122 |
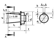
Размеры концов входных валов:

Тип |
d |
d1 |
d3 |
d4(не более) |
l |
l1 |
b |
h |
t |
РМ-250 |
30 |
27,10 |
М20x1,5 |
50 |
80 |
58 |
5 |
5 |
3 |
РМ-350 |
40 |
35,90 |
М24x2 |
63 |
110 |
82 |
10 |
8 |
5 |
РМ-400 |
40 |
35,9 |
М24x2 |
63 |
110 |
82 |
12 |
8 |
5 |
PM-500 |
50 |
45,9 |
М36x3 |
70 |
110 |
82 |
16 |
10 |
6 |
РМ-650 |
60 |
54,75 |
М42xЗ |
94 |
140 |
105 |
16 |
10 |
6 |
РМ-750 |
60 |
54,75 |
М42xЗ |
94 |
140 |
105 |
16 |
10 |
6 |
РМ-850 |
90 |
83,50 |
М64x4 |
130 |
170 |
130 |
22 |
14 |
9 |
РМ-1000 |
90 |
83,50 |
М64x4 |
130 |
170 |
130 |
22 |
14 |
9 |

Тип |
d m6 |
d1 |
b |
l |
t |
РМ-250 |
55 |
65 |
16 |
82 |
60 |
РМ-350 |
55 |
65 |
16 |
82 |
60 |
РМ-400 |
80 |
90 |
22 |
123 |
88 |
РМ-500 |
80 |
90 |
22 |
123 |
88 |
95 |
115 |
25 |
130 |
104 |
PM-650 |
110 |
130 |
28 |
165 |
120 |
125 |
145 |
32 |
165 |
136 |
РМ-750 |
110 |
130 |
28 |
165 |
120 |
РМ-850 |
130 |
150 |
32 |
200 |
141 |
РМ-1000 |
150 |
170 |
36 |
200 |
162 |
ТЕХНИЧЕСКИЕ ХАРАКТЕРИСТИКИ РМ-250; РМ-350; PM-400; РМ-500; Р650; РМ-750; РМ-850; PM-1000
Частота вращения вх. вала, об/мин |
Режим работы |
Номинальный крутящий момент , Нм |
РМ-250 |
Передаточное число |
номин. |
50,00 |
40,00 |
31,50 |
22,40 |
20,00 |
16,00 |
12,50 |
10,00 |
8,00 |
фактич. |
48,57 |
40,17 |
31,50 |
23,34 |
20,49 |
15,75 |
12,64 |
10,35 |
8,23 |
600 |
Особо легкий |
1779 |
1791 |
1756 |
1747 |
1729 |
1655 |
1650 |
1549 |
1389 |
ПВ = 15% |
928 |
895 |
903 |
929 |
946 |
903 |
865 |
791 |
734 |
ПВ = 25% |
773 |
768 |
802 |
818 |
816 |
777 |
745 |
692 |
642 |
ПВ = 40% |
657 |
640 |
702 |
706 |
685 |
652 |
624 |
593 |
550 |
ПВ=100% |
271 |
256 |
276 |
279 |
277 |
301 |
302 |
297 |
288 |
750 |
Особо легкий |
1795 |
1792 |
1724 |
1693 |
1723 |
1628 |
1610 |
1492 |
1323 |
ПВ = 15% |
928 |
870 |
882 |
921 |
940 |
804 |
741 |
726 |
651 |
ПВ = 25% |
805 |
768 |
762 |
802 |
809 |
704 |
644 |
634 |
567 |
ПВ = 40% . |
681 |
666 |
642 |
683 |
679 |
603 |
547 |
528 |
473 |
ПВ = 100% |
248 |
256 |
281 |
267 |
261 |
281 |
290 |
290 |
294 |
1000 |
Особо легкий |
1670 |
1766 |
1716 |
1672 |
1705 |
1590 |
1549 |
1406 |
1240 |
ПВ = 15% |
835 |
922 |
783 |
803 |
784 |
690 |
666 |
614 |
537 |
ПВ = 25% |
742 |
806 |
692 |
691 |
686 |
600 |
581 |
535 |
466 |
ПВ = 40% |
650 |
691 |
602 |
647 |
588 |
510 |
496 |
455 |
395 |
ПВ = 100% |
255 |
250 |
271 |
268 |
274 |
300 |
290 |
297 |
296 |
1250 |
Особо легкий |
1781 |
1781 |
1711 |
1638 |
1664 |
1560 |
1474 |
1311 |
1147 |
ПВ = 15% |
816 |
798 |
723 |
712 |
722 |
624 |
592 |
514 |
466 |
ПВ = 25% |
705 |
706 |
627 |
623 |
628 |
540 |
514 |
450 |
403 |
ПВ = 40% |
594 |
614 |
530 |
534 |
534 |
456 |
437 |
387 |
340 |
ПВ = 100% |
260 |
246 |
265 |
267 |
267 |
288 |
301 |
292 |
296 |
1500 |
Особо легкий |
1761 |
1741 |
1688 |
1624 |
1598 |
1530 |
1401 |
1241 |
1056 |
ПВ = 15% |
742 |
742 |
623 |
641 |
668 |
550 |
559 |
462 |
400 |
ПВ = 25% |
649 |
640 |
543 |
551 |
576 |
480 |
446 |
403 |
348 |
ПВ = 40% |
556 |
538 |
462 |
462 |
485 |
410 |
381 |
343 |
296 |
ПВ = 100% |
247 |
243 |
271 |
268 |
262 |
300 |
308 |
297 |
291 |
РМ-350 |
600 |
Особо легкий |
4254 |
4222 |
4113 |
3977 |
3817 |
3762 |
3643 |
3593 |
3460 |
ПВ = 15% |
2166 |
2175 |
2357 |
2304 |
2251 |
2332 |
2254 |
2142 |
2005 |
ПВ = 25% |
1856 |
1855 |
2056 |
2007 |
1958 |
2031 |
1952 |
1862 |
1743 |
ПВ = 40% |
1624 |
1599 |
1705 |
1710 |
1664 |
1730 |
1671 |
1582 |
1481 |
ПВ=100% |
657 |
608 |
602 |
595 |
587 |
677 |
684 |
692 |
695 |
750 |
Особо легкий |
3836 |
4145 |
4253 |
3925 |
3837 |
3692 |
3623 |
3428 |
3407 |
ПВ = 15% |
2166 |
2098 |
2327 |
2230 |
2140 |
2247 |
2109 |
2004 |
1835 |
ПВ = 25% |
1856 |
1842 |
2006 |
1933 |
1853 |
1946 |
1836 |
1740 |
1594 |
ПВ = 40% |
1609 |
1586 |
1725 |
1635 |
1592 |
1665 |
1562 |
1477 |
1352 |
ПВ = 100% |
588 |
563 |
602 |
595 |
600 |
682 |
692 |
738 |
681 |
1000 |
Особо легкий |
4037 |
4068 |
3973 |
3835 |
3759 |
3611 |
3502 |
3362 |
3184 |
ПВ = 15% |
2135 |
2111 |
2257 |
2141 |
2055 |
2092 |
1944 |
1790 |
1691 |
ПВ = 25% |
1856 |
1842 |
1956 |
1851 |
1801 |
1821 |
1691 |
1552 |
1463 |
ПВ = 40% |
1624 |
1535 |
1655 |
1583 |
1527 |
1550 |
1437 |
1315 |
1242 |
ПВ = 100% |
580 |
576 |
602 |
602 |
607 |
692 |
688 |
692 |
684 |
1250 |
Особо легкий |
4121 |
4053 |
3900 |
3746 |
3680 |
3491 |
3333 |
3204 |
3019 |
ПВ = 15% |
2116 |
2057 |
2167 |
2034 |
2020 |
1938 |
1710 |
1661 |
1541 |
ПВ = 25% |
1819 |
1781 |
1878 |
1766 |
1754 |
1685 |
1488 |
1432 |
1352 |
ПВ = 40% |
1633 |
1535 |
1589 |
1498 |
1488 |
1433 |
1266 |
1218 |
1151 |
ПВ = 100% |
594 |
583 |
602 |
607 |
595 |
686 |
686 |
688 |
623 |
1500 |
Особо легкий |
4022 |
3889 |
3772 |
3642 |
3524 |
3361 |
3180 |
3164 |
2778 |
ПВ = 15% |
2042 |
1996 |
2147 |
1933 |
1932 |
1816 |
1691 |
1714 |
1415 |
ПВ = 25% |
1794 |
1740 |
1866 |
1680 |
1684 |
1575 |
1465 |
1384 |
1232 |
ПВ = 40% |
1516 |
1484 |
1585 |
1427 |
1436 |
1344 |
1248 |
1173 |
1059 |
ПВ=100% |
588 |
588 |
602 |
610 |
600 |
692 |
684 |
626 |
687 |
Частота вращения вх. вала, об/мин |
Режим работы |
Номинальный крутящий момент , Нм |
РМ-400 |
600 |
Особо легкий |
8507 |
8251 |
7875 |
7322 |
7015 |
5768 |
5233 |
4862 |
4259 |
ПВ = 15% |
3480 |
3710 |
3160 |
11150 |
9788 |
2984 |
2858 |
2670 |
2503 |
ПВ = 25% |
3016 |
3198 |
2759 |
3010 |
3034 |
2608 |
2496 |
2324 |
2175 |
ПВ = 40% |
2552 |
2750 |
2357 |
2564 |
2578 |
2207 |
2113 |
1978 |
1848 |
ПВ=100% |
1237 |
1215 |
1254 |
1264 |
1272 |
1329 |
1349 |
1351 |
1337 |
750 |
Особо легкий |
8476 |
8187 |
7785 |
6987 |
6656 |
5517 |
5072 |
4549 |
4036 |
ПВ = 15% |
3217 |
3377 |
3050 |
3092 |
3132 |
2648 |
2512 |
2360 |
2202 |
ПВ = 25% |
2784 |
2917 |
2648 |
2706 |
2715 |
2307 |
2190 |
2057 |
3491 |
ПВ = 40% |
2351 |
2507 |
2247 |
2289 |
2323 |
1966 |
1868 |
1754 |
1625 |
ПВ=100% |
1176 |
1126 |
1244 |
1249 |
1253 |
1344 |
1353 |
1345 |
1342 |
1000 |
Особо легкий |
8353 |
8059 |
7373 |
6690 |
6264 |
5191 |
4649 |
4153 |
3578 |
ПВ = 15% |
2691 |
3070 |
2739 |
2720 |
2643 |
2317 |
2246 |
2077 |
1769 |
ПВ = 25% |
2320 |
2686 |
2378 |
2364 |
2290 |
2016 |
1956 |
1810 |
1549 |
ПВ = 40% |
1995 |
2264 |
2016 |
2007 |
1860 |
1715 |
1667 |
1543 |
1282 |
ПВ=100% |
1160 |
1151 |
1234 |
1249 |
1253 |
1279 |
1340 |
1335 |
1337 |
1250 |
Особо легкий |
8353 |
7983 |
6982 |
6244 |
5873 |
4815 |
4299 |
3797 |
3271 |
ПВ = 15% |
2747 |
2825 |
2408 |
2408 |
2427 |
2095 |
1913 |
1819 |
1541 |
ПВ = 25% |
2376 |
2456 |
2095 |
2105 |
2114 |
1830 |
1662 |
1519 |
1352 |
ПВ = 40% |
2005 |
2088 |
1782 |
1784 |
1801 |
1553 |
1411 |
1329 |
1145 |
ПВ=100% |
1151 |
1136 |
1252 |
1249 |
1253 |
1264 |
1353 |
1345 |
1352 |
1500 |
Особо легкий |
8198 |
7804 |
6721 |
5946 |
5547 |
4514 |
3985 |
3527 |
3093 |
ПВ = 15% |
2475 |
2507 |
2147 |
2215 |
2127 |
1886 |
1731 |
1549 |
1363 |
ПВ = 25% |
2166 |
2200 |
1886 |
1933 |
1918 |
1645 |
1497 |
1351 |
1179 |
ПВ = 40% |
1825 |
1868 |
1605 |
1635 |
1631 |
1394 |
1272 |
1147 |
1006 |
ПВ=100% |
835 |
1151 |
1244 |
1264 |
1266 |
1274 |
1296 |
1233 |
1195 |
РМ-500 |
600 |
Особо легкий |
14230 |
13113 |
13292 |
13194 |
13051 |
12540 |
11875 |
10712 |
9304 |
ПВ = 15% |
7193 |
7100 |
7423 |
7805 |
7341 |
7022 |
6642 |
6180 |
5766 |
ПВ = 25% |
6265 |
6205 |
6470 |
6541 |
6460 |
6144 |
5837 |
5439 |
4980 |
ПВ = 40% |
5336 |
5245 |
5467 |
5575 |
5481 |
5141 |
4931 |
4532 |
4259 |
ПВ=100% |
2166 |
2047 |
2157 |
2156 |
2153 |
2332 |
2315 |
2324 |
2320 |
750 |
Особо легкий |
13921 |
14072 |
13442 |
13082 |
12920 |
12239 |
10949 |
9888 |
8597 |
ПВ = 15% |
7177 |
7062 |
6982 |
7284 |
7178 |
6220 |
5958 |
5669 |
5137 |
ПВ = 25% |
6249 |
6141 |
6059 |
6244 |
6264 |
5417 |
5153 |
4878 |
4456 |
ПВ = 40% |
5321 |
5219 |
5136 |
5382 |
5325 |
4615 |
4347 |
4153 |
3774 |
ПВ = 100% |
2042 |
1945 |
2167 |
2170 |
2166 |
2307 |
2319 |
2320 |
2317 |
1000 |
Особо легкий |
13689 |
13624 |
13091 |
12710 |
12529 |
11286 |
10023 |
8900 |
7627 |
ПВ = 15% |
6775 |
6946 |
7223 |
6244 |
6166 |
5342 |
5193 |
4796 |
4128 |
ПВ = 25% |
5893 |
6025 |
5447 |
5463 |
5383 |
4665 |
4529 |
4153 |
3617 |
ПВ = 40% |
5012 |
5143 |
4635 |
4527 |
4503 |
3912 |
3864 |
3510 |
3067 |
ПВ = 100% |
1995 |
1996 |
2167 |
2163 |
2153 |
2317 |
2319 |
2324 |
2107 |
1250 |
Особо легкий |
13550 |
13509 |
12760 |
12309 |
12685 |
10353 |
9178 |
8069 |
6856 |
ПВ = 15% |
6274 |
6601 |
5537 |
5619 |
5622 |
4815 |
4589 |
4114 |
3586 |
ПВ = 25% |
5457 |
5680 |
4936 |
4906 |
4855 |
4213 |
4009 |
3520 |
3114 |
ПВ = 40% |
4640 |
4820 |
4165 |
4192 |
3994 |
3551 |
3381 |
3006 |
2642 |
ПВ = 100% |
2005 |
1996 |
2167 |
2159 |
2161 |
2323 |
2319 |
2096 |
2170 |
1500 |
Особо легкий |
13302 |
13305 |
12640 |
12041 |
11746 |
9630 |
8373 |
7317 |
5897 |
ПВ = 15% |
5816 |
5885 |
5216 |
5500 |
5220 |
4364 |
4025 |
3626 |
3171 |
ПВ = 25% |
5043 |
5117 |
4514 |
4757 |
4503 |
3812 |
3502 |
3131 |
2752 |
ПВ = 40% |
4300 |
4350 |
3852 |
4014 |
3785 |
3210 |
2979 |
2670 |
2333 |
ПВ = 100% |
1980 |
1996 |
2167 |
2170 |
2166 |
2307 |
2013 |
2110 |
2097 |
Частота вращения вх. вала, об/мин |
Режим работы |
Номинальный крутящий момент , Нм |
РМ-650 |
600 |
Особо легкий |
33256 |
32622 |
31600 |
30847 |
29690 |
24076 |
21536 |
19282 |
17561 |
ПВ = 15% |
15855 |
16631 |
14797 |
15609 |
15824 |
13794 |
13083 |
12360 |
11270 |
ПВ = 25% |
13844 |
14392 |
12790 |
13565 |
13703 |
11913 |
11472 |
10712 |
9829 |
ПВ = 40% |
11756 |
12281 |
10784 |
11521 |
11583 |
10032 |
9661 |
9064 |
8322 |
ПВ=100% |
5182 |
4925 |
5166 |
5129 |
5155 |
5517 |
5535 |
5521 |
5504 |
750 |
Особо легкий |
32792 |
32238 |
30898 |
29137 |
27668 |
22471 |
19966 |
17799 |
15307 |
ПВ = 15% |
14540 |
15351 |
13242 |
14123 |
14356 |
12038 |
11432 |
11075 |
9960 |
ПВ = 25% |
12684 |
512 |
11637 |
12190 |
12398 |
10634 |
9983 |
9625 |
8702 |
ПВ = 40% |
10766 |
11258 |
9831 |
10406 |
10571 |
8928 |
8453 |
8174 |
7339 |
ПВ=100% |
4764 |
4708 |
5136 |
5173 |
5090 |
5517 |
5636 |
5537 |
5032 |
1000 |
Особо легкий |
32483 |
31470 |
29794 |
26536 |
24862 |
20013 |
17873 |
15624 |
13839 |
ПВ = 15% |
13225 |
13816 |
12189 |
12264 |
12529 |
10383 |
10265 |
9394 |
8335 |
ПВ = 25% |
11601 |
12089 |
10684 |
10704 |
10963 |
9029 |
8816 |
8207 |
7077 |
ПВ = 40% |
9745 |
10170 |
9029 |
9031 |
9201 |
7674 |
7548 |
6922 |
5976 |
ПВ=100% |
4687 |
4912 |
5116 |
5129 |
5188 |
5568 |
5555 |
4994 |
5032 |
1250 |
Особо легкий |
31555 |
30703 |
28410 |
24440 |
22708 |
18418 |
16134 |
14002 |
- |
ПВ = 15% |
12251 |
12588 |
10955 |
10971 |
11432 |
9510 |
8888 |
8069 |
ПВ = 25% |
10580 |
10899 |
9510 |
9544 |
9945 |
8246 |
7729 |
6922 |
ПВ = 40% |
9095 |
9364 |
8065 |
8295 |
8457 |
6982 |
6569 |
5854 |
ПВ=100% |
4715 |
4759 |
5176 |
5173 |
5168 |
5537 |
5024 |
5023 |
1500 |
Особо легкий |
30781 |
29935 |
26484 |
22448 |
21012 |
16954 |
- |
- |
ПВ = 15% |
11292 |
11386 |
9731 |
10258 |
10506 |
8527 |
ПВ = 25% |
9899 |
9850 |
8427 |
8920 |
9136 |
7423 |
ПВ = 40% |
8353 |
8443 |
7223 |
7582 |
7830 |
6320 |
ПВ=100% |
4702 |
4708 |
5116 |
5129 |
5155 |
5016 |
РМ-750 |
600 |
Особо легкий |
49497 |
46694 |
44641 |
43483 |
42741 |
39374 |
35021 |
31148 |
26865 |
ПВ = 15% |
24749 |
24626 |
25581 |
26016 |
25449 |
24076 |
23146 |
21260 |
19788 |
ПВ = 25% |
21655 |
21428 |
22070 |
22671 |
22186 |
21067 |
20127 |
18458 |
17167 |
ПВ = 40% |
18175 |
18230 |
18809 |
19326 |
18924 |
17806 |
17108 |
15657 |
14546 |
ПВ=100% |
7347 |
7036 |
7273 |
7247 |
7341 |
7900 |
7850 |
7828 |
7863 |
750 |
Особо легкий |
46404 |
46054 |
44139 |
42517 |
41501 |
36515 |
32203 |
28347 |
24637 |
ПВ = 15% |
24749 |
24306 |
24076 |
24975 |
24796 |
21468 |
20449 |
19381 |
17613 |
ПВ = 25% |
21346 |
20980 |
20866 |
21704 |
21664 |
18659 |
17712 |
16876 |
15307 |
ПВ = 40% |
18258 |
17910 |
17856 |
18434 |
18271 |
15850 |
15136 |
14371 |
13000 |
ПВ=100% |
6806 |
6703 |
7303 |
7284 |
7308 |
7825 |
7809 |
7911 |
7129 |
1000 |
Особо легкий |
45476 |
44519 |
42434 |
40807 |
40131 |
32352 |
28379 |
24721 |
- |
ПВ = 15% |
23666 |
23795 |
21668 |
21630 |
21142 |
18358 |
17994 |
16612 |
ПВ = 25% |
20418 |
20724 |
18960 |
18954 |
18402 |
15950 |
15699 |
14437 |
ПВ = 40% |
17169 |
17654 |
15950 |
16055 |
15661 |
13543 |
13284 |
12262 |
ПВ=100% |
6729 |
6716 |
7163 |
7805 |
7341 |
7825 |
7125 |
7120 |
1250 |
Особо легкий |
44176 |
43905 |
41411 |
39246 |
36020 |
28891 |
25119 |
- |
ПВ = 15% |
21531 |
22413 |
19261 |
19445 |
19263 |
16612 |
15651 |
ПВ = 25% |
18933 |
19650 |
16853 |
16947 |
16914 |
14446 |
13719 |
ПВ = 40% |
15963 |
16579 |
14205 |
14271 |
14408 |
12279 |
11593 |
ПВ=100% |
6719 |
6755 |
7343 |
7314 |
7282 |
7102 |
7149 |
1500 |
Особо легкий |
43620 |
42216 |
40127 |
36422 |
33279 |
26584 |
- |
ПВ = 15% |
20108 |
20213 |
17255 |
17839 |
17619 |
15048 |
ПВ = 25% |
17324 |
17654 |
15048 |
15461 |
15400 |
13041 |
ПВ = 40% |
14849 |
15096 |
12640 |
13231 |
13051 |
11135 |
ПВ=100% |
6651 |
6780 |
7323 |
7136 |
7308 |
7123 |
Частота вращения вх. вала, об/мин |
Режим работы |
Номинальный крутящий момент , Нм |
РМ-850 |
600 |
Особо легкий |
65739 |
65883 |
62197 |
62809 |
62317 |
58936 |
57362 |
56034 |
55041 |
ПВ = 15% |
34029 |
33901 |
36616 |
34935 |
35237 |
36114 |
34619 |
33291 |
31714 |
ПВ = 25% |
29776 |
29423 |
31600 |
30475 |
30669 |
31349 |
30191 |
29006 |
27520 |
ПВ = 40% |
25135 |
24946 |
27086 |
25644 |
26102 |
26584 |
25561 |
24556 |
23327 |
ПВ=100% |
10131 |
9403 |
10032 |
10220 |
10114 |
10784 |
10768 |
10877 |
10877 |
750 |
Особо легкий |
65584 |
64987 |
62999 |
62437 |
61339 |
58184 |
56356 |
54716 |
51895 |
ПВ = 15% |
34029 |
33773 |
35312 |
34489 |
34193 |
34910 |
32203 |
31115 |
26904 |
ПВ = 25% |
29389 |
29168 |
30898 |
30029 |
29756 |
30296 |
28017 |
27028 |
24113 |
ПВ = 40% |
25058 |
24818 |
26082 |
25570 |
25318 |
24076 |
23830 |
22941 |
20444 |
ПВ=100% |
9404 |
9160 |
10032 |
9960 |
10049 |
10834 |
10788 |
9888 |
3565 |
1000 |
Особо легкий |
64965 |
64092 |
61695 |
60207 |
59707 |
55676 |
54343 |
- |
- |
ПВ = 15% |
33875 |
33005 |
34609 |
33003 |
31713 |
29042 |
28500 |
ПВ = 25% |
29234 |
28784 |
30095 |
28766 |
27602 |
25280 |
24756 |
ПВ = 40% |
25058 |
24562 |
25581 |
24529 |
23491 |
21518 |
21013 |
ПВ=100% |
9884 |
9211 |
9931 |
10035 |
9984 |
10834 |
9903 |
1250 |
Особо легкий |
64223 |
62941 |
60190 |
58869 |
57945 |
- |
- |
ПВ = 15% |
33039 |
32238 |
30577 |
30683 |
30695 |
ПВ = 25% |
28956 |
27939 |
26724 |
26759 |
26780 |
ПВ = 40% |
24501 |
23641 |
22872 |
22834 |
22708 |
ПВ=100% |
9132 |
9211 |
9992 |
9990 |
10023 |
1500 |
Особо легкий |
63418 |
61405 |
60190 |
57234 |
- |
ПВ = 15% |
31864 |
31214 |
27487 |
27651 |
ПВ = 25% |
27842 |
27121 |
23875 |
24083 |
ПВ = 40% |
23511 |
23027 |
20264 |
20515 |
ПВ=100% |
9157 |
9083 |
10032 |
10109 |
РМ-1000 |
600 |
Особо легкий |
99999 |
99999 |
99999 |
98487 |
96249 |
82762 |
73464 |
60978 |
55696 |
ПВ = 15% |
58005 |
58207 |
60692 |
61694 |
60360 |
56428 |
54343 |
50266 |
46522 |
ПВ = 25% |
50271 |
50532 |
53168 |
53518 |
52529 |
49657 |
47299 |
43674 |
40625 |
ПВ = 40% |
43310 |
42856 |
44641 |
45341 |
44699 |
42133 |
40254 |
37081 |
34073 |
ПВ=100% |
17401 |
16631 |
17555 |
17468 |
17292 |
18559 |
18517 |
18623 |
16905 |
750 |
Особо легкий |
100851 |
99272 |
100317 |
96629 |
92660 |
76241 |
67627 |
56034 |
- |
ПВ = 15% |
58159 |
57312 |
57783 |
58275 |
58728 |
51162 |
49110 |
46146 |
ПВ = 25% |
50735 |
50148 |
49757 |
50842 |
51159 |
44139 |
41864 |
40213 |
ПВ = 40% |
42691 |
42472 |
42133 |
43111 |
43329 |
37719 |
35424 |
34280 |
ПВ=100% |
16149 |
16119 |
17455 |
17393 |
17227 |
18458 |
16907 |
17008 |
1000 |
Особо легкий |
97448 |
95946 |
94800 |
90311 |
83199 |
67714 |
- |
- |
ПВ = 15% |
54292 |
56032 |
51162 |
52403 |
49919 |
43638 |
ПВ = 25% |
48260 |
48741 |
44541 |
45713 |
43068 |
37619 |
ПВ = 40% |
40835 |
41449 |
37920 |
38577 |
36803 |
32352 |
ПВ=100% |
16009 |
15927 |
17455 |
17393 |
17423 |
17004 |
1250 |
Особо легкий |
94664 |
92108 |
92693 |
80277 |
- |
- |
ПВ = 15% |
51972 |
52195 |
45745 |
45490 |
ПВ = 25% |
44548 |
46054 |
39485 |
39246 |
ПВ = 40% |
37865 |
38992 |
33466 |
33716 |
ПВ=100% |
15963 |
15965 |
17335 |
17482 |
1500 |
Особо легкий |
92808 |
89550 |
89282 |
- |
ПВ = 15% |
46713 |
48101 |
40528 |
ПВ = 25% |
40835 |
41705 |
35312 |
ПВ = 40% |
34648 |
35308 |
29894 |
ПВ=100% |
15932 |
15863 |
17455 |
Приводная техника (мотор-редукторы, преобразователи частоты и устройства плавного пуска) отправляется покупателю транспортной компанией. По всем вопросам обращаться в офис.
Мы всегда рады видеть у себя наших старых партнеров и ждем новых.
Доставка во все регионы России!
|
 |
 |
|
|